
Ontvang een e‑mailmelding wanneer dit product weer beschikbaar is
- Beschrijving
- Instructies
- Betaalmethoden
- Garantie
TENSE 3-fasen paneelmultimeter - VAHz
Beschrijving
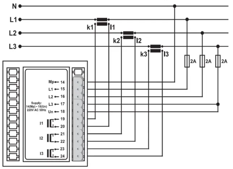
De TENSE digitale 3-fasen paneelmultimeter is een multifunctionele meter voor het controleren van elektrische parameters in 3-fasen systemen. Het instrument maakt het mogelijk om spanning, stroom en frequentie te meten, de juiste aansluiting van fasen te controleren en is geschikt voor industriële apparatuur, machines en AC stroomdistributiesystemen.
Belangrijkste voordelen
-
Multifunctionele meting: I, U (L-L, L-N), Hz
-
Indirecte meting van stroom door aangesloten stroomtransformatoren
-
Fasebewaking en bedradingscontrole
-
Meegeleverde meettransformator op EM-100D en EM-250D modellen
-
Montage op standaard DIN-rail
Meetbereiken
| Parameter | Modellen EM-06 / EM-72 | EM-100D | EM-250D |
|---|---|---|---|
| Stroom | 5/5 ... 9995/5 A (indirect) | 1 - 100 A | 2 - 250 A |
| Spanning L-N | 1 - 300 V AC | 1 - 300 V AC | 1 - 300 V AC |
| Spanning L-L | 1 - 500 V WISSELSTROOM | 1 - 500 V WISSELSTROOM | 1 - 500 V WISSELSTROOM |
| Frequentie | 40 - 60 Hz | 40 - 60 Hz | 40 - 60 Hz |
Aanbevelingen
-
Voor de modellen EM-06 en EM-72 raden we de volgende stroomtransformatoren aan:
60/5, 75/5, 100/5, 150/5, 200/5, 250/5, 300/5, 400/5, 500/5, 600/5, 800/5, 1000/5, 1500/5 -
De transformatoren kunnen rechtstreeks in onze e-shop worden gekocht.
Downloaden
Online betaling met kaart – na het afronden van uw bestelling wordt u doorgestuurd naar het betaalportaal. Een betalingsbevestiging ontvangt u per e‑mail.
Betaling bij levering (onder rembours) – u betaalt het bedrag aan de koerier van de bezorgdienst.
Betaling via bankoverschrijving – u ontvangt uiterlijk de volgende werkdag een pro forma factuur per e‑mail, waarop het bankrekeningnummer vermeld staat dat u bij de betaling moet gebruiken.
Betaling op factuur – deze betalingsoptie is beschikbaar voor partners die met ons bedrijf een raamovereenkomst hebben afgesloten.
Als u gebruik wilt maken van de laatste twee opties, neem dan contact op met onze verantwoordelijke, die u instructies zal geven over hoe u een factuur met of zonder btw kunt ontvangen.
De elektrische toestellen die wij leveren, voldoen aan hoge kwaliteitsnormen, hebben 24 maanden garantie en zijn conform alle EU‑vereisten.
Wij bieden ook gratis levering (bij bestellingen vanaf €100), een flexibel systeem van kortingen en promoties. De technische kennis en ervaring van onze medewerkers stellen ons in staat hoogwaardig advies te bieden en indien nodig alternatieven aan te bevelen voor elektrische producten.
Elektro oprema, ki jo dobavljamo, ustreza visokim standardom kakovosti, ima 24-mesečno garancijo in izpolnjuje vse zahteve EU.
V primeru reklamacije se vračilo blaga ne zaračuna.
