
Ontvang een e‑mailmelding wanneer dit product weer beschikbaar is
- Beschrijving
- Instructies
- Betaalmethoden
- Garantie
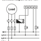
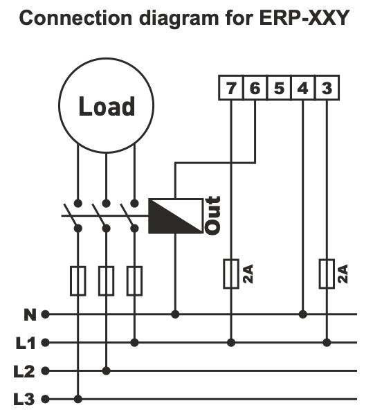
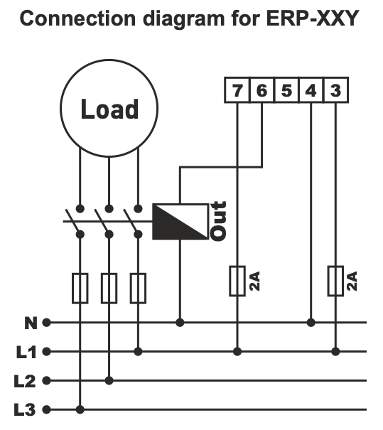
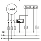
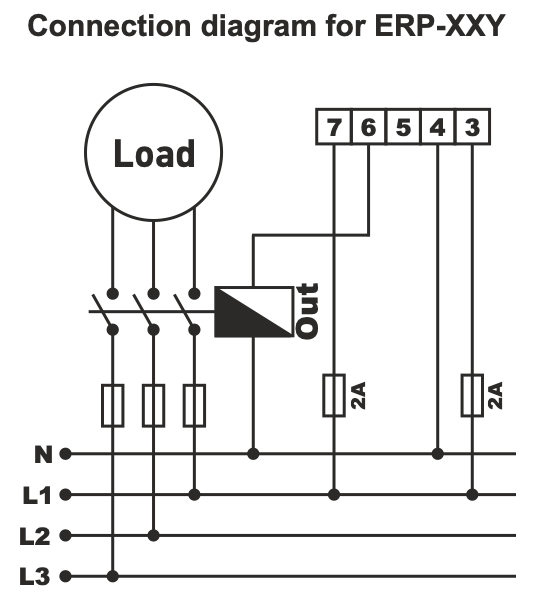
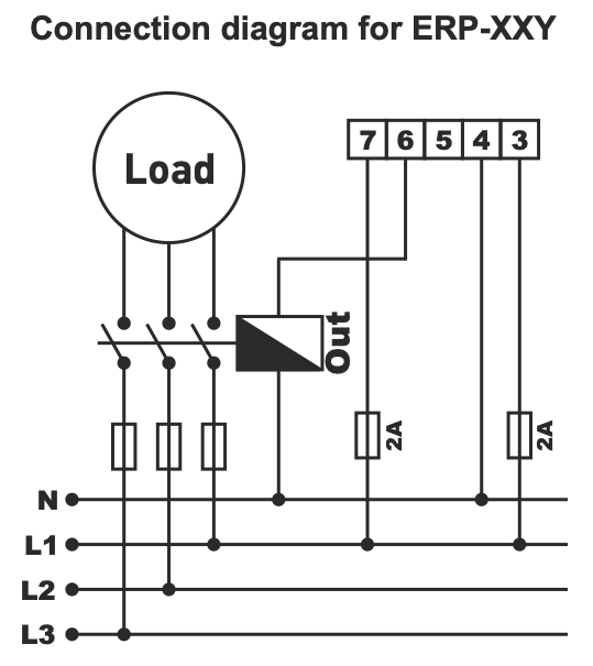
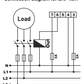
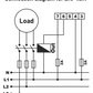
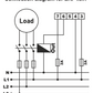
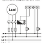
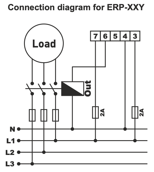
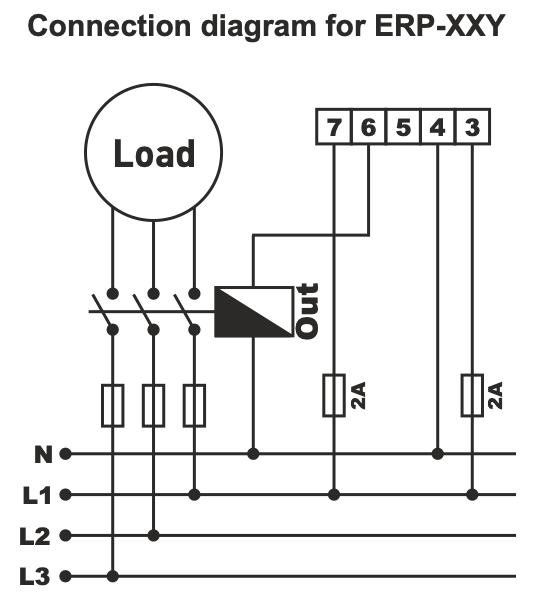
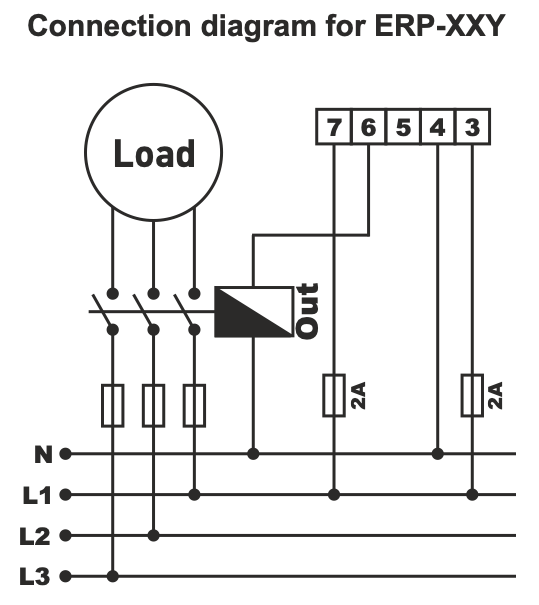
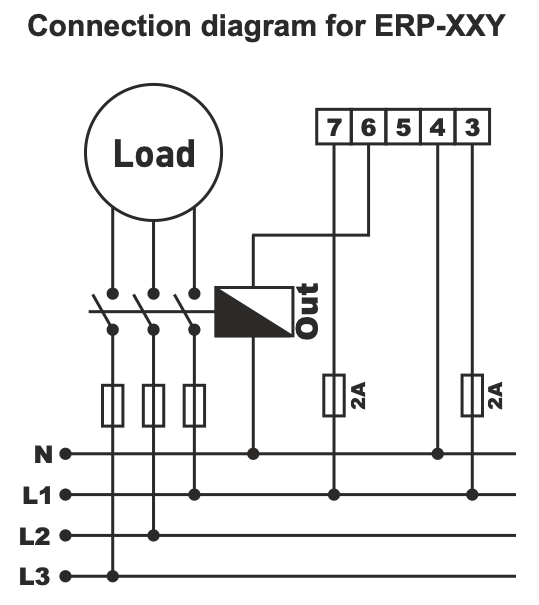
Tijdvertraging ON-DELAY ingebouwd monofunctioneel relais 230 V/AC met 1 schakelcontact.
Het tijdvertragings-/tijdrelais wordt gebruikt om belastingen gefaseerd te schakelen: elektrische boilers, ovens, verwarmingstoestellen enz. en voorkomt zo stroompieken in het netwerk en het uitschakelen van stroomonderbrekers door grote overspanningen.
Het kan ook worden gebruikt om de inschakeltijd van verschillende apparaten in machines, apparaten of andere apparatuur te coördineren.
Tijdbereik:
ERP-03Y - 0-3 s
ERP-12Y - 0-12 s
ERP-30Y - 0-30 s
ERP-60Y - 0-60 s
ERP-03DY - 0-3 min.
ERP-12DY - 0-12 min.
ERP-30DY - 0-30 min.
ERP-60DY - 0-60 min.
Downloaden
Online betaling met kaart – na het afronden van uw bestelling wordt u doorgestuurd naar het betaalportaal. Een betalingsbevestiging ontvangt u per e‑mail.
Betaling bij levering (onder rembours) – u betaalt het bedrag aan de koerier van de bezorgdienst.
Betaling via bankoverschrijving – u ontvangt uiterlijk de volgende werkdag een pro forma factuur per e‑mail, waarop het bankrekeningnummer vermeld staat dat u bij de betaling moet gebruiken.
Betaling op factuur – deze betalingsoptie is beschikbaar voor partners die met ons bedrijf een raamovereenkomst hebben afgesloten.
Als u gebruik wilt maken van de laatste twee opties, neem dan contact op met onze verantwoordelijke, die u instructies zal geven over hoe u een factuur met of zonder btw kunt ontvangen.
De elektrische toestellen die wij leveren, voldoen aan hoge kwaliteitsnormen, hebben 24 maanden garantie en zijn conform alle EU‑vereisten.
Wij bieden ook gratis levering (bij bestellingen vanaf €100), een flexibel systeem van kortingen en promoties. De technische kennis en ervaring van onze medewerkers stellen ons in staat hoogwaardig advies te bieden en indien nodig alternatieven aan te bevelen voor elektrische producten.
Elektro oprema, ki jo dobavljamo, ustreza visokim standardom kakovosti, ima 24-mesečno garancijo in izpolnjuje vse zahteve EU.
V primeru reklamacije se vračilo blaga ne zaračuna.
