
Ontvang een e‑mailmelding wanneer dit product weer beschikbaar is
- Beschrijving
- Instructies
- Betaalmethoden
- Garantie
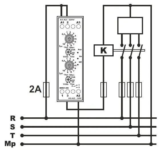
Tijdrelais - Cyclisch relais / Blinkr (symmetrische / asymmetrische cyclus)
Product Beschrijving
Het cyclische tijdrelais is ontworpen voor het periodiek in- en uitschakelen van elektrische belastingen zoals lampen, ventilatoren, pompen of signaalgevers. De puls- en pauzeduur kunnen onafhankelijk worden ingesteld en het relais werkt symmetrisch of asymmetrisch. Hij is geschikt voor regelautomatisering, ventilatie, tijdgestuurde verlichting of reclametoepassingen.
Belangrijkste kenmerken
-
Cyclische werking met instelbare aan- en pauzetijd
-
Knippermodus: aan het begin van een puls of aan het begin van een pauze
-
Symmetrische / asymmetrische inschakelcyclus
-
Omschakelbaar uitgangscontact
-
Optie om de cyclus te starten met een puls of pauze
-
Stabiele werking voor automatische besturing van systemen
-
Montage op DIN-rail 35 mm
Toepassing
-
Regelmatige ventilatie van ruimtes
-
Cyclische vochtdroging
-
Aansturing van reclameverlichting, knipperlichten
-
Aansturing van circulatiepompen
-
Periodiek schakelen van ventilatie of verwarming
-
Noodsignaal licht of geluid
-
Geleidelijk inschakelen van elektrische apparatuur bij stroomuitval
Voordelen
-
Eenvoudige instelling van tijden
-
Grote veelzijdigheid in gebruik
-
Veilige en betrouwbare regeling van elektrische circuits
-
Geschikt voor huishoudelijke en industriële schakelkasten
Installatie
-
Installatie op standaard 35 mm DIN-rail
Online betaling met kaart – na het afronden van uw bestelling wordt u doorgestuurd naar het betaalportaal. Een betalingsbevestiging ontvangt u per e‑mail.
Betaling bij levering (onder rembours) – u betaalt het bedrag aan de koerier van de bezorgdienst.
Betaling via bankoverschrijving – u ontvangt uiterlijk de volgende werkdag een pro forma factuur per e‑mail, waarop het bankrekeningnummer vermeld staat dat u bij de betaling moet gebruiken.
Betaling op factuur – deze betalingsoptie is beschikbaar voor partners die met ons bedrijf een raamovereenkomst hebben afgesloten.
Als u gebruik wilt maken van de laatste twee opties, neem dan contact op met onze verantwoordelijke, die u instructies zal geven over hoe u een factuur met of zonder btw kunt ontvangen.
De elektrische toestellen die wij leveren, voldoen aan hoge kwaliteitsnormen, hebben 24 maanden garantie en zijn conform alle EU‑vereisten.
Wij bieden ook gratis levering (bij bestellingen vanaf €100), een flexibel systeem van kortingen en promoties. De technische kennis en ervaring van onze medewerkers stellen ons in staat hoogwaardig advies te bieden en indien nodig alternatieven aan te bevelen voor elektrische producten.
Elektro oprema, ki jo dobavljamo, ustreza visokim standardom kakovosti, ima 24-mesečno garancijo in izpolnjuje vse zahteve EU.
V primeru reklamacije se vračilo blaga ne zaračuna.
