
Ontvang een e‑mailmelding wanneer dit product weer beschikbaar is
- Beschrijving
- Instructies
- Betaalmethoden
- Garantie
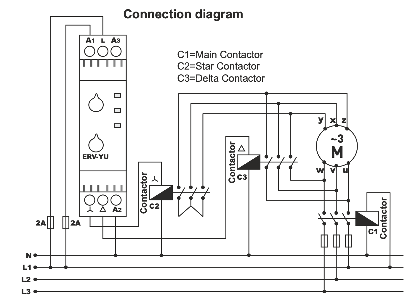
Relais voor startmodi ster-driehoek (ERV-YU)
Het ERV-YU startrelais is ontworpen voor automatische besturing van het starten van elektromotoren in de STAR-TRINAGON modus bij een bedrijfsspanning van 24/220 V AC. Het relais zorgt voor een zachte start van de motor, vermindert de aanloopstroom en verlengt de levensduur van het hele aandrijfsysteem. Het is uitgerust met een lichtindicatie voor de modi ON, STAR en TRIANGLE en maakt het mogelijk om de opstarttijd in te stellen.
Beschrijving en werkingsprincipe
Voor een soepele start van de elektromotor wordt eerst de STAR-modus geactiveerd, die de initiële stroompiek vermindert. Wanneer de vereiste snelheid is bereikt, wordt de wikkeling automatisch overgeschakeld naar de TRIPLE-modus, waarin de motor normaal blijft werken.
Automatische modusschakeling door relais en schakelaars verhoogt de stabiliteit van het hele systeem en elimineert de risico's die gepaard gaan met handmatige bediening.
Wanneer er spanning wordt gezet op de klemmen A1-A2 van het relais:
-
Het STAR-contact wordt geactiveerd, de STAR-indicator licht op en het opstartinterval t1 (0,1-30 s) begint te tellen.
-
Nadat de tijd t1 verstreken is, wordt het STAR-contact verbroken, gaat het lampje uit en begint een korte pauze t2 (15 ms).
-
Vervolgens worden de FASE-TRIANGLE contacten ingeschakeld, gaat het TRIANGLE lampje branden en blijft het relais in deze modus gedurende de hele tijd dat er spanning op de klemmen A1-A2 staat.
Gebruik
Het ERV-YU relais is geschikt voor:
-
automatische aansturing van motorschakelingen in sterdriehoekmodus
-
industriële toepassingen met hoge eisen voor stabiel en veilig starten van motoren
-
systemen waar het nodig is om de aanloopstroom te verminderen en het elektrische netwerk te beschermen
Aanvullend assortiment
Voor het relais kunt u het volgende aanschaffen
-
magneetschakelaars en starters
-
magneetschakelaars met mechanische vergrendeling
-
stand-alone mechanische vergrendelingsmodules
-
metalen behuizingen met IP65-bescherming
Dit alles is direct uit voorraad leverbaar tegen concurrerende prijzen.
Online betaling met kaart – na het afronden van uw bestelling wordt u doorgestuurd naar het betaalportaal. Een betalingsbevestiging ontvangt u per e‑mail.
Betaling bij levering (onder rembours) – u betaalt het bedrag aan de koerier van de bezorgdienst.
Betaling via bankoverschrijving – u ontvangt uiterlijk de volgende werkdag een pro forma factuur per e‑mail, waarop het bankrekeningnummer vermeld staat dat u bij de betaling moet gebruiken.
Betaling op factuur – deze betalingsoptie is beschikbaar voor partners die met ons bedrijf een raamovereenkomst hebben afgesloten.
Als u gebruik wilt maken van de laatste twee opties, neem dan contact op met onze verantwoordelijke, die u instructies zal geven over hoe u een factuur met of zonder btw kunt ontvangen.
De elektrische toestellen die wij leveren, voldoen aan hoge kwaliteitsnormen, hebben 24 maanden garantie en zijn conform alle EU‑vereisten.
Wij bieden ook gratis levering (bij bestellingen vanaf €100), een flexibel systeem van kortingen en promoties. De technische kennis en ervaring van onze medewerkers stellen ons in staat hoogwaardig advies te bieden en indien nodig alternatieven aan te bevelen voor elektrische producten.
Elektro oprema, ki jo dobavljamo, ustreza visokim standardom kakovosti, ima 24-mesečno garancijo in izpolnjuje vse zahteve EU.
V primeru reklamacije se vračilo blaga ne zaračuna.
