
Ontvang een e‑mailmelding wanneer dit product weer beschikbaar is
- Beschrijving
- Betaalmethoden
- Garantie
|
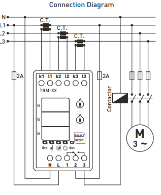
Driefasig stroomrelais voor belastingsstroomregeling/-begrenzing in het bereik van 90-200 A, fabrikant TENSE (Turkije) De TRM-200 digitale overstroomrelais zijn ontworpen om belastingen te beschermen tegen schade veroorzaakt door hoge stromen en tegelijkertijd de werking te controleren. - 90-200 A (instelbare overstroomwaarde) Gebruik van het apparaat en werkingsprincipe
Wanneer het apparaat wordt ingeschakeld: Beschrijving Het TRM-200 serie elektronische stroomrelais is ontworpen om apparaten automatisch uit te schakelen wanneer de maximaal toegestane stroom wordt overschreden. Terugstelmodi: - Handmatige modus: Na een overstroomfout moet het apparaat gereset worden door op de resetknop te drukken. In deze modus brandt de bijbehorende led. Opmerking: Houd de selectieknop gedurende 10 seconden ingedrukt om van modus te veranderen. Wanneer de modus wordt gewijzigd, gaat de bijbehorende LED-indicator branden. Asymmetrie 50% (vast) Als het verschil tussen de grootste en kleinste fasestroom groter is dan 50%, schakelt het apparaat binnen 2 seconden over naar de asymmetriefoutmodus. Tijdens een asymmetriefout: Technische parameters: - Bedrijfsspanning: 150-260 VAC. Opmerking: De TRM-50, TRM-100, TRM-200 en TRM-300 kunnen alleen worden gebruikt met de meegeleverde stroomtransformatoren. De TRM-400 kan worden gebruikt met de 400/5 stroomtransformator die bij de TRM-400 wordt geleverd.
Basis
|
Online betaling met kaart – na het afronden van uw bestelling wordt u doorgestuurd naar het betaalportaal. Een betalingsbevestiging ontvangt u per e‑mail.
Betaling bij levering (onder rembours) – u betaalt het bedrag aan de koerier van de bezorgdienst.
Betaling via bankoverschrijving – u ontvangt uiterlijk de volgende werkdag een pro forma factuur per e‑mail, waarop het bankrekeningnummer vermeld staat dat u bij de betaling moet gebruiken.
Betaling op factuur – deze betalingsoptie is beschikbaar voor partners die met ons bedrijf een raamovereenkomst hebben afgesloten.
Als u gebruik wilt maken van de laatste twee opties, neem dan contact op met onze verantwoordelijke, die u instructies zal geven over hoe u een factuur met of zonder btw kunt ontvangen.
De elektrische toestellen die wij leveren, voldoen aan hoge kwaliteitsnormen, hebben 24 maanden garantie en zijn conform alle EU‑vereisten.
Wij bieden ook gratis levering (bij bestellingen vanaf €100), een flexibel systeem van kortingen en promoties. De technische kennis en ervaring van onze medewerkers stellen ons in staat hoogwaardig advies te bieden en indien nodig alternatieven aan te bevelen voor elektrische producten.
Elektro oprema, ki jo dobavljamo, ustreza visokim standardom kakovosti, ima 24-mesečno garancijo in izpolnjuje vse zahteve EU.
V primeru reklamacije se vračilo blaga ne zaračuna.
