
Ontvang een e‑mailmelding wanneer dit product weer beschikbaar is
- Beschrijving
- Betaalmethoden
- Garantie
|
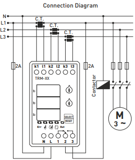
Driefasig stroomrelais voor belastingsstroomregeling/-begrenzing in het bereik 190-300 A, fabrikant TENSE (Turkije) De TRM-300 digitale overstroomrelais zijn ontworpen om belastingen te beschermen tegen schade veroorzaakt door hoge stromen en tegelijkertijd de werking te bewaken. - 190-300 A (instelbare overstroomwaarde) Gebruik van het apparaat en werkingsprincipe
Wanneer het apparaat wordt ingeschakeld: Het TRM-300 serie elektronische stroomrelais is ontworpen om apparaten automatisch uit te schakelen wanneer de maximaal toegestane stroom wordt overschreden. Resetmodi: - Handmatige modus: Na een overstroomfout moet het apparaat worden gereset door op de resetknop te drukken. In deze modus brandt de bijbehorende LED. Opmerking: Om van modus te veranderen, moet je de selectieknop 10 seconden ingedrukt houden. Wanneer de modus wordt gewijzigd, gaat de bijbehorende led branden. Asymmetrie 50% (vast) Als het verschil tussen de grootste en kleinste fasestroom groter is dan 50%, schakelt het apparaat binnen 2 seconden over naar de asymmetriefoutmodus. Tijdens een asymmetriefout: Technische parameters: - Bedrijfsspanning: 150-260 VAC.
Opmerking: Modellen TRM-50, TRM-100, TRM-200 en TRM-300 kunnen alleen worden gebruikt met de stroomtransformatoren die bij het apparaat worden geleverd. De TRM-400 kan worden gebruikt met een 400/5 stroomtransformator.
Basis
|
Online betaling met kaart – na het afronden van uw bestelling wordt u doorgestuurd naar het betaalportaal. Een betalingsbevestiging ontvangt u per e‑mail.
Betaling bij levering (onder rembours) – u betaalt het bedrag aan de koerier van de bezorgdienst.
Betaling via bankoverschrijving – u ontvangt uiterlijk de volgende werkdag een pro forma factuur per e‑mail, waarop het bankrekeningnummer vermeld staat dat u bij de betaling moet gebruiken.
Betaling op factuur – deze betalingsoptie is beschikbaar voor partners die met ons bedrijf een raamovereenkomst hebben afgesloten.
Als u gebruik wilt maken van de laatste twee opties, neem dan contact op met onze verantwoordelijke, die u instructies zal geven over hoe u een factuur met of zonder btw kunt ontvangen.
De elektrische toestellen die wij leveren, voldoen aan hoge kwaliteitsnormen, hebben 24 maanden garantie en zijn conform alle EU‑vereisten.
Wij bieden ook gratis levering (bij bestellingen vanaf €100), een flexibel systeem van kortingen en promoties. De technische kennis en ervaring van onze medewerkers stellen ons in staat hoogwaardig advies te bieden en indien nodig alternatieven aan te bevelen voor elektrische producten.
Elektro oprema, ki jo dobavljamo, ustreza visokim standardom kakovosti, ima 24-mesečno garancijo in izpolnjuje vse zahteve EU.
V primeru reklamacije se vračilo blaga ne zaračuna.
