
Ontvang een e‑mailmelding wanneer dit product weer beschikbaar is
- Beschrijving
- Betaalmethoden
- Garantie
|
Bewakingsoverstroomrelais TRM-30F met display, 3-fasig tot 25A Het is ontworpen om apparatuur die gevoelig is voor bedrijfsstroom- en spanningswaarden te beschermen tegen fouten die kunnen optreden als gevolg van:
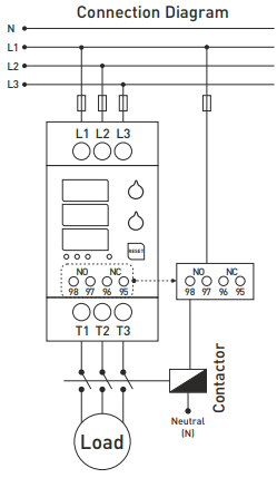
Met het TRM-30F digitale overstroomrelais met display kun je de stroom in elke fase bekijken en de motor of het apparaat beschermen tegen overstroom, overspanning, onderstroom, fase-uitval en fase-omkering. Deze digitale overbelastingsrelais zijn ontworpen om schade aan de motor/belasting door hoge stromen te voorkomen, terwijl de stroom in elke fase op het display kan worden gecontroleerd. Ze kunnen ook de cumulatieve spanningswaarden tussen fasen controleren. Dankzij de twee uitgangsrelais (1x NO, 1x NC) is het ook mogelijk om de belasting te regelen of uit te schakelen wanneer een setpoint voor overstroom wordt bereikt, of om een signaleringscontact naar het regelsysteem in te schakelen. De TRM-xx digitale relais hebben ingebouwde stroomtransformatoren en een 3x3-cijferig display voor stroomweergave. Toepassing en werkingsprincipe
Drivers
Contactstatus
LED-indicatie
Functie van de knop "V/A/RESET
Beveiliging en werkingsprincipe 1. Overstroombeveiliging (0,5-30 A):
2. Beveiliging tegen stroomasymmetrie:
3. Overspanningsbeveiliging (U>440 V):
4. Onderspanningsbeveiliging (U<265 V):
5. Beveiliging tegen spanningsasymmetrie:
6. Fasevolgordebeveiliging:
Berekening huidige asymmetrie Het instrument berekent de asymmetrie volgens de formule:
Voorbeeld: ((25 - 15) / 25) × 100 = 40% stroomasymmetrie. Technische specificatie
|
Online betaling met kaart – na het afronden van uw bestelling wordt u doorgestuurd naar het betaalportaal. Een betalingsbevestiging ontvangt u per e‑mail.
Betaling bij levering (onder rembours) – u betaalt het bedrag aan de koerier van de bezorgdienst.
Betaling via bankoverschrijving – u ontvangt uiterlijk de volgende werkdag een pro forma factuur per e‑mail, waarop het bankrekeningnummer vermeld staat dat u bij de betaling moet gebruiken.
Betaling op factuur – deze betalingsoptie is beschikbaar voor partners die met ons bedrijf een raamovereenkomst hebben afgesloten.
Als u gebruik wilt maken van de laatste twee opties, neem dan contact op met onze verantwoordelijke, die u instructies zal geven over hoe u een factuur met of zonder btw kunt ontvangen.
De elektrische toestellen die wij leveren, voldoen aan hoge kwaliteitsnormen, hebben 24 maanden garantie en zijn conform alle EU‑vereisten.
Wij bieden ook gratis levering (bij bestellingen vanaf €100), een flexibel systeem van kortingen en promoties. De technische kennis en ervaring van onze medewerkers stellen ons in staat hoogwaardig advies te bieden en indien nodig alternatieven aan te bevelen voor elektrische producten.
Elektro oprema, ki jo dobavljamo, ustreza visokim standardom kakovosti, ima 24-mesečno garancijo in izpolnjuje vse zahteve EU.
V primeru reklamacije se vračilo blaga ne zaračuna.
