
Ontvang een e‑mailmelding wanneer dit product weer beschikbaar is
- Beschrijving
- Instructies
- Betaalmethoden
- Garantie
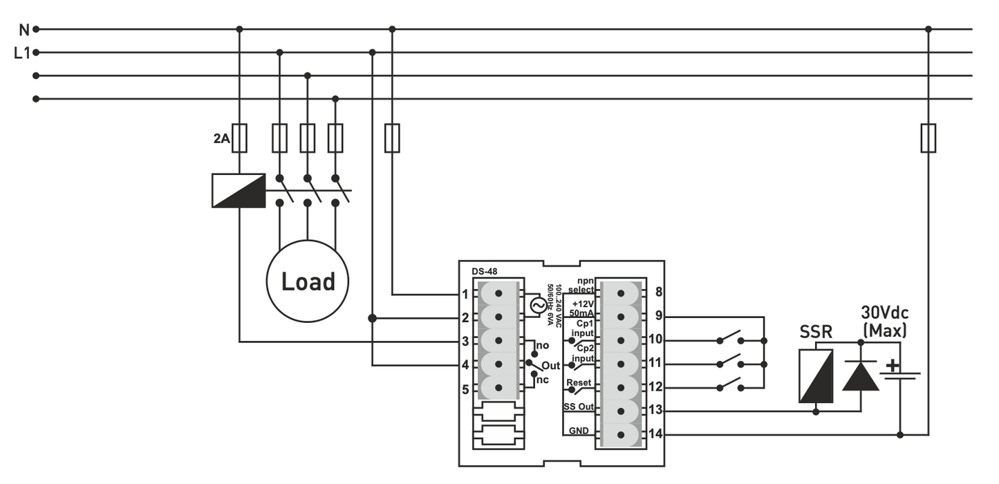
DS-48 pulsteller - 2× display, 2 ingangen, relaisuitgang
Productbeschrijving
De DS-48 pulsteller is een universele paneelteller met twee ingangen en twee 4-cijferige LED-displays (huidige waarde + doelwaarde). Hij kan signalen van mechanische schakelaars, inductieve PNP/NPN-sensoren en incrementele encoders tellen, aftrekken en verwerken. Dankzij de ruime keuze aan in- en uitgangsfuncties is hij geschikt voor industriële automatiseringssystemen, productielijnen, meetstations en procesbesturing.
Belangrijkste kenmerken
-
2× 4-cijferig 7-segment LED-display
-
1× OUT-relaisuitgang + SSR-uitgang
-
Meerdere modi: tellen, aftellen, optellen van meerdere ingangen, besturing via tweede ingang
-
Ondersteuning voor mechanische schakelaars, PNP/NPN-sensoren en encoders
-
Selecteerbare ingangsfrequentie: 20 / 50 / 2500 / 7500 Hz
-
Hesla-instellingsbeveiliging
-
EEPROM-geheugen - behoud van gegevens bij stroomuitval
-
Optie om OFFSET en decimale punt in te stellen
-
Automatisch herstel van de laatste waarde na stroomuitval
Functie
Invoerfunctie (7 modi):
-
Optellen
-
Aftellen
-
Tellen vanaf twee ingangen tegelijk
-
Pauze geregeld door tweede ingang
-
Negatie van ingang
-
Tellen vanaf de opgaande/afgaande flank
-
Combinaties: optellen vanaf de ene flank, aftrekken vanaf de andere, negatie, enz.
Uitgangsfuncties (9 modi):
-
Relaisuitschakeling na bereiken doel
-
Vasthouden tot RESET
-
Pulsuitgang 0,1-999,9 s
-
Aansturing via SSR-uitgang (NPN)
Technische parameters
Display en afmetingen
-
Afmetingen: 48 × 48 × 96 mm
-
Montagegat: 44 × 44 mm
-
Display: 2 × 4-cijferige LED
Ingangen
-
Aantal ingangen: 2
-
Soorten ingangen: mechanische schakelaar, PNP/NPN-sensor, NPN/PNP/totempool-encoderuitgang
-
Ingangsspanning: 5-30 V
-
Max. ingangsfrequentie: 7500 Hz
-
Selecteerbare frequenties: 20 / 50 / 2500 / 7500 Hz
-
Resetingang: PNP, min. 10 ms, klem 12
-
Voeding sensor: 12 VDC / 50 mA (max)
Uitgangen
-
1× SPDT-relais 250 VAC, 2 A (ohmse belasting) - COM (4), NO (3), NC (5)
-
1× SSR-besturing (NPN, max. 100 mA, 30 V) - klemmen 13 (SSout), 14 (GND)
Stroomvoorziening
-
100-240 V AC, 50/60 Hz
-
Stroomverbruik: < 8 VA
Bedrijfsomstandigheden
-
Bedrijfstemperatuur: -20 °C tot +55 °C
-
Max. hoogte: 2000 m
Speciale functies
-
EEPROM geheugen slaat alle instellingen en huidige tellingen op na stroomuitval
-
Instelbare OFFSET van telwaarde
-
Wachtwoordbeveiliging tegen ongewenste parameterwijzigingen
-
Instelbaar decimaalteken (0 / 0,0 / 0,00 / 0,000)
Installatie aanbevelingen
-
Gebruik afgeschermde en gedraaide signaalkabels, aard de afscherming
-
Scheid de signaalkabels van de voedingskabels
-
Gebruik een zekering van F250 mA / 250 VAC op de voedingsingang
-
Bescherm apparatuur tegen vocht, trillingen, stof en extreme temperaturen
-
Voor mechanische schakelaars wordt aanbevolen om de ingangsfrequentie in te stellen op 20 Hz.
-
Bij gebruik van twee ingangen:
Phs4-modus → max. ¼ ingangsfrequentie
Modi 1u2u, 1u2d, Phs2 → max. ½ ingangsfrequentie
Online betaling met kaart – na het afronden van uw bestelling wordt u doorgestuurd naar het betaalportaal. Een betalingsbevestiging ontvangt u per e‑mail.
Betaling bij levering (onder rembours) – u betaalt het bedrag aan de koerier van de bezorgdienst.
Betaling via bankoverschrijving – u ontvangt uiterlijk de volgende werkdag een pro forma factuur per e‑mail, waarop het bankrekeningnummer vermeld staat dat u bij de betaling moet gebruiken.
Betaling op factuur – deze betalingsoptie is beschikbaar voor partners die met ons bedrijf een raamovereenkomst hebben afgesloten.
Als u gebruik wilt maken van de laatste twee opties, neem dan contact op met onze verantwoordelijke, die u instructies zal geven over hoe u een factuur met of zonder btw kunt ontvangen.
De elektrische toestellen die wij leveren, voldoen aan hoge kwaliteitsnormen, hebben 24 maanden garantie en zijn conform alle EU‑vereisten.
Wij bieden ook gratis levering (bij bestellingen vanaf €100), een flexibel systeem van kortingen en promoties. De technische kennis en ervaring van onze medewerkers stellen ons in staat hoogwaardig advies te bieden en indien nodig alternatieven aan te bevelen voor elektrische producten.
Elektro oprema, ki jo dobavljamo, ustreza visokim standardom kakovosti, ima 24-mesečno garancijo in izpolnjuje vse zahteve EU.
V primeru reklamacije se vračilo blaga ne zaračuna.
