
Ontvang een e‑mailmelding wanneer dit product weer beschikbaar is
- Beschrijving
- Instructies
- Betaalmethoden
- Garantie
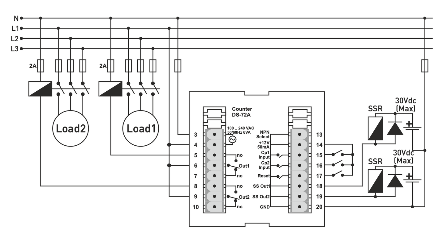
DS-72A pulsteller - 2×6-cijferig LED-display, 2× relais, 2× SSR-uitgang
Productbeschrijving
De DS-72A pulsteller is een professioneel apparaat ontworpen voor het nauwkeurig tellen van pulsen van mechanische schakelaars, eindschakelaars, PNP/NPN inductieve sensoren en incrementele encoders. Hij ondersteunt zowel omhoog als omlaag tellen en biedt een combinatie van ingangsfuncties en flexibele uitgangsconfiguratie.
Met dubbele LED-displays van 6 cijfers en de mogelijkheid om PRESET1- en PRESET2-waarden in te stellen, biedt hij een duidelijk overzicht van de telwaarde en de doelwaarde. Dankzij het EEPROM-geheugen blijven de instellingen behouden, zelfs na een stroomstoring.
Belangrijkste functies
-
2× 6-cijferig LED-display voor weergave van de huidige waarde en PRESET
-
2× uitgangsrelais (SPDT)
-
2× SSR-uitgang (NPN, max. 30 V / 100 mA)
-
Omhoog/omlaag tellen
-
Wachtwoordbeveiliging
-
Instelbare ingangsfrequentie: 20, 50, 2500, 7500 Hz
-
Kalibratieconstante: 0,00001 tot 9,99999
-
Selecteerbaar decimaalteken: 0 / 0.0 / 0.00 / 0.000
-
Mogelijke combinatie van functies: optellen, aftrekken, pauzeren, ingangsontkenning, randcombinatie
-
Instelbare "OFFSET"-waarden
-
PRESET1 met optie absolute/relatieve waarde
-
Onthoudt de status en waarde van uitgangsrelais na stroomuitval
Technische parameters
-
Afmetingen / opening: 72×72×94 mm / 67×67 mm
-
LED-display: 2× 6-cijferig 7-segment
-
LED-indicatie: 5× (OUT1, OUT2, Finger1, Finger2, Batch)
-
Ingangen: 2× (5-30 V, max. 7500 Hz)
-
Ingangstypen: mechanische schakelaar, inductieve PNP/NPN-sensor, NPN/PNP/totempolencoder
-
Resetingang: PNP, min. 10 ms, 5-30 V
-
Relaisuitgangen: 2× SPDT 250 VAC, 2 A (ohmse belasting)
-
SSR-uitgangen: 2× NPN, max. 30 V / 100 mA
-
Voeding sensor: 12 VDC, max. 50 mA
-
Voeding apparaat: 100-240 VAC, 50-60 Hz
-
Stroomverbruik: < 8 VA
-
Bedrijfstemperatuur: -20°C ... +55°C
-
Hoogte: < 2000 m
Toepassing
-
Pulsen van mechanische en elektrische apparatuur tellen
-
Productie en machinebewaking
-
Besturing van encoders en mechanische processen
-
Industriële toepassingen die nauwkeurige metingen en relais/SSR-uitgangen vereisen
Installatie en veiligheid
-
Paneel-/kastmontage
-
Gebruik afgeschermde en gedraaide signaalkabels, aard de afscherming
-
Houd kabels uit de buurt van elektrische ruis, stroomonderbrekers en inductieve belastingen
-
Bescherm apparatuur tegen vocht, trillingen, vuil en extreme temperaturen
-
Gebruik een zekering van F250 mA / 250 VAC op de stroomingang.
-
Neem de veiligheidsvoorschriften in acht en gebruik geschikte kabels
Online betaling met kaart – na het afronden van uw bestelling wordt u doorgestuurd naar het betaalportaal. Een betalingsbevestiging ontvangt u per e‑mail.
Betaling bij levering (onder rembours) – u betaalt het bedrag aan de koerier van de bezorgdienst.
Betaling via bankoverschrijving – u ontvangt uiterlijk de volgende werkdag een pro forma factuur per e‑mail, waarop het bankrekeningnummer vermeld staat dat u bij de betaling moet gebruiken.
Betaling op factuur – deze betalingsoptie is beschikbaar voor partners die met ons bedrijf een raamovereenkomst hebben afgesloten.
Als u gebruik wilt maken van de laatste twee opties, neem dan contact op met onze verantwoordelijke, die u instructies zal geven over hoe u een factuur met of zonder btw kunt ontvangen.
De elektrische toestellen die wij leveren, voldoen aan hoge kwaliteitsnormen, hebben 24 maanden garantie en zijn conform alle EU‑vereisten.
Wij bieden ook gratis levering (bij bestellingen vanaf €100), een flexibel systeem van kortingen en promoties. De technische kennis en ervaring van onze medewerkers stellen ons in staat hoogwaardig advies te bieden en indien nodig alternatieven aan te bevelen voor elektrische producten.
Elektro oprema, ki jo dobavljamo, ustreza visokim standardom kakovosti, ima 24-mesečno garancijo in izpolnjuje vse zahteve EU.
V primeru reklamacije se vračilo blaga ne zaračuna.
