
Ontvang een e‑mailmelding wanneer dit product weer beschikbaar is
- Beschrijving
- Instructies
- Betaalmethoden
- Garantie
Paneeltijdrelais ERD-48M - Universele digitale timer voor industriële en huisautomatisering
De ERD-48M Paneelklokrelais is een multifunctionele digitale timer ontworpen voor tijdcycluscontrole, industriële processen, machines voor eenmalig gebruik en domotica. Het biedt 13 verschillende bedrijfsmodi, nauwkeurige programmering en een groot aantal besturingsopties.
Met het apparaat kan eenvoudig een tijdreeks van 0,1 seconde tot 99,59 uur worden ingesteld met de knoppen op het voorpaneel. Het dubbele LED-display maakt de weergave van waarden duidelijk en leesbaar, zelfs van een afstand.
Belangrijkste kenmerken:
-
Multifunctionele digitale timer met START / RESET / GATE besturingsingangen
-
13 programmeerbare modi voor een breed scala aan toepassingen
-
Tijdseenheden: uren (99:59) / minuten (99:59) / seconden (599,9 s)
-
Laatste statusgeheugen - onthoudt instellingen en uitgangsstatus tijdens stroomuitval
-
Dubbel LED-display:
-
bovenste regel (rood): instelpunt
-
onderste regel (geel): huidige gemeten tijd of status
-
-
Indicatie van het sluiten van het OUT relais met een rode LED
-
Ingebouwde voeding voor sensoren: 12 V DC, max. 50 mA
-
Compatibel met 24 VDC-signalen (PNP) of aangepaste 12V-uitgang vanaf klem 9
-
Robuuste constructie, paneelmontage 48×48 mm
Functies en bediening
Het apparaat heeft 13 verschillende bedrijfsmodi die volledige flexibiliteit in de regeling mogelijk maken:
-
Tijdvertraging AAN
-
Tijdvertraging UIT
-
cyclisch aan/uit
-
eenmalige timing
-
sequentiële logische besturing
-
tijdrelais met pauze (GATE)
-
andere speciale timingmodi
(Een lijst met 13 modi kan op verzoek worden toegevoegd.)
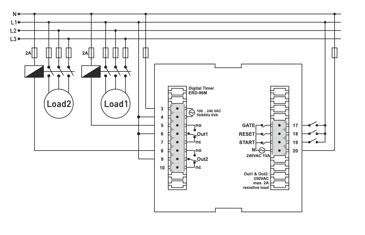
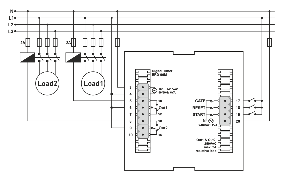
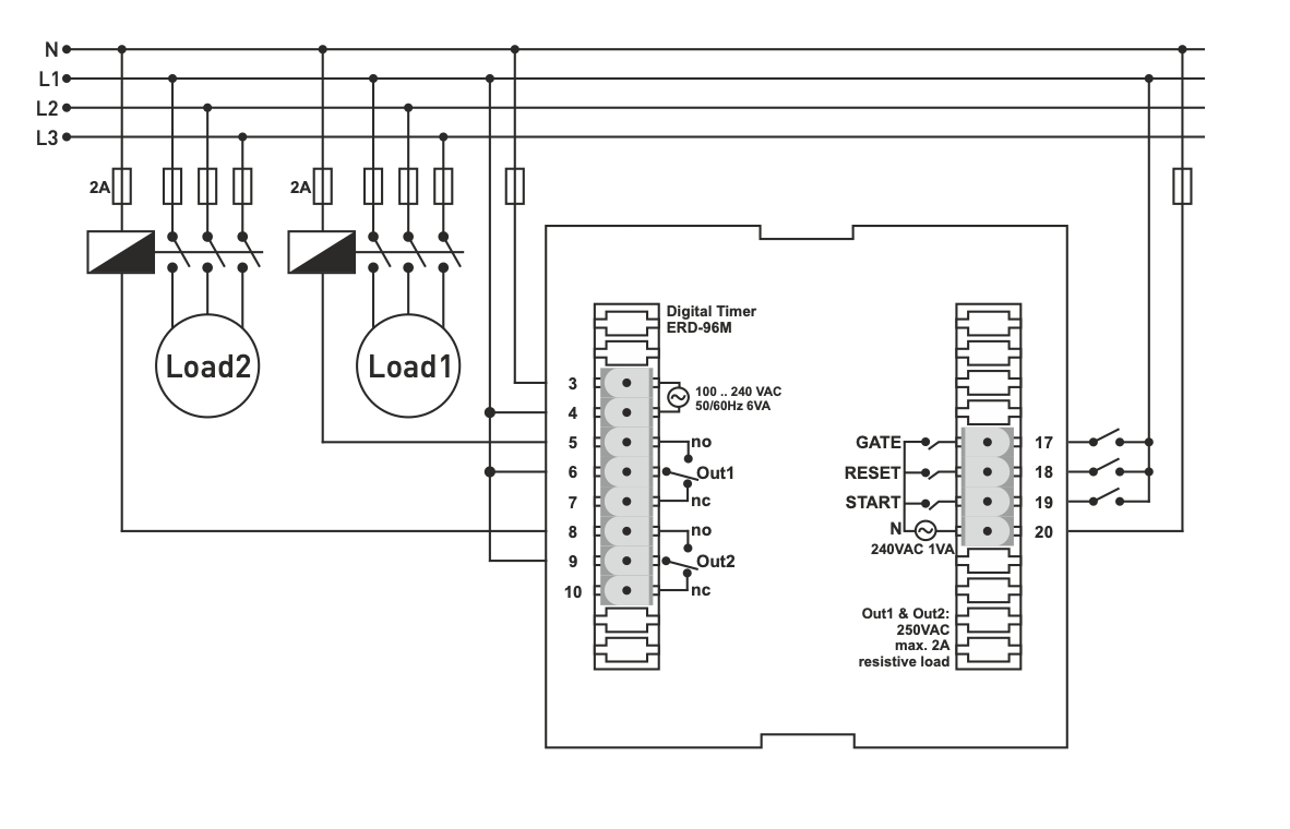
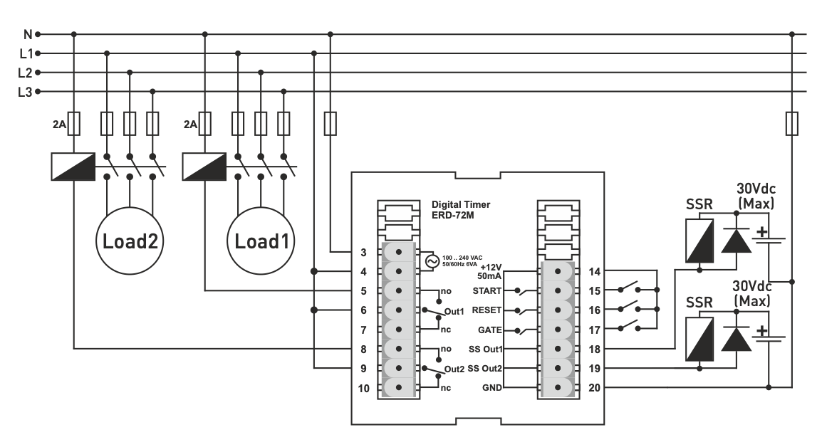
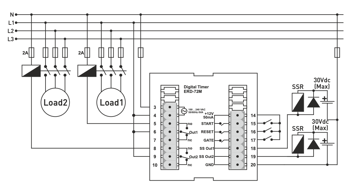
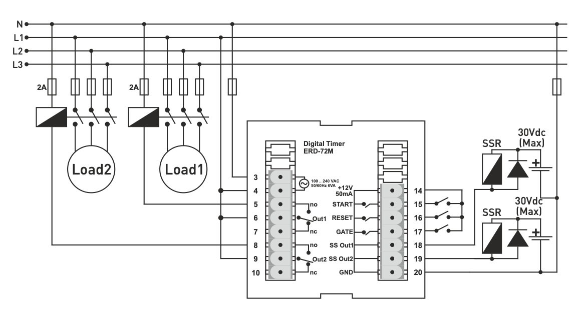
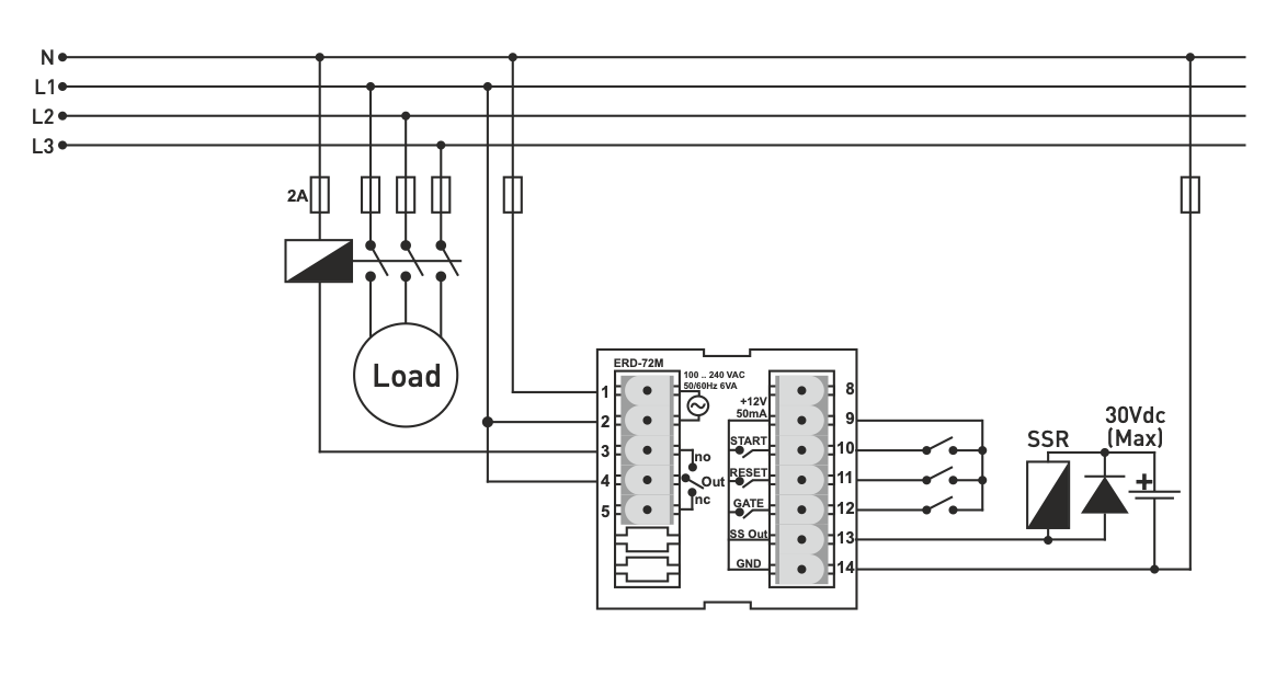
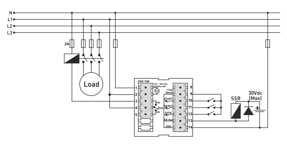
Stuuringangen:
-
START (klem 10): start de timer.
-
RESET (aansluitklem 11): zet de tijd terug.
-
GATE (klem 12): pauzeert het aftellen (PAUSE)
-
Klem 9: geïntegreerde +12 V DC voor sensoren/bedieningsknoppen (max. 50 mA)
Uitgangen
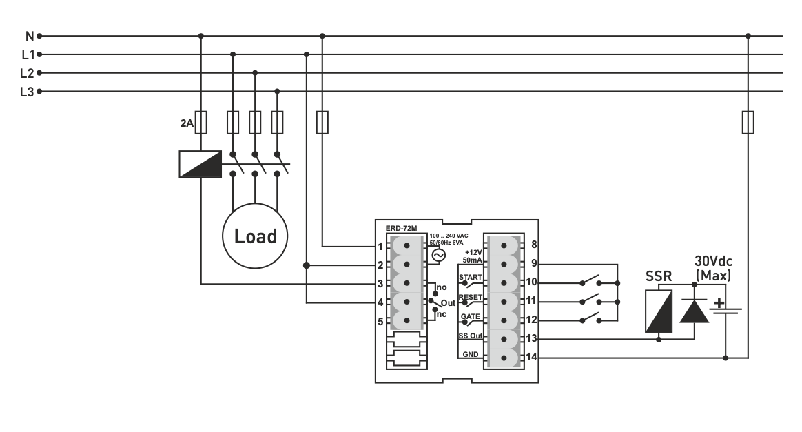
Relaisuitgang OUT1 (klemmen 4-3-5):
-
Type: SPDT-schakelaar (NO-COM-NC)
-
Belasting: 250 VAC / 2 A, ohmse belasting
SSR-uitgang OUT2 (klemmen 13 en 14):
-
Stuursignaal voor solid-state relais
-
Max. uitgangsniveau: 30 V DC
Technische specificaties
-
Voedingsspanning: 100...240 V AC, 50/60 Hz
-
Stroomverbruik: < 8 VA
-
Timingbereik:
-
0,1 s tot 599,9 s
-
0 tot 99:59 min
-
0 tot 99:59 u
-
-
START/RESET/GATE-ingangen: 7-32 V DC (AAN), 0-2 V DC (UIT)
-
Display: 2×4-digit, 7-segment LED (rood + geel)
-
Bedrijfstemperatuur: -20 °C tot +55 °C
-
Uitsparing voor paneelmontage: 44 × 44 mm
-
Totale afmetingen: 48 × 48 × 99 mm
-
Hoogte bij gebruik: < 2000 m
-
Montage: paneelmontage, frontmontage
Downloaden
Online betaling met kaart – na het afronden van uw bestelling wordt u doorgestuurd naar het betaalportaal. Een betalingsbevestiging ontvangt u per e‑mail.
Betaling bij levering (onder rembours) – u betaalt het bedrag aan de koerier van de bezorgdienst.
Betaling via bankoverschrijving – u ontvangt uiterlijk de volgende werkdag een pro forma factuur per e‑mail, waarop het bankrekeningnummer vermeld staat dat u bij de betaling moet gebruiken.
Betaling op factuur – deze betalingsoptie is beschikbaar voor partners die met ons bedrijf een raamovereenkomst hebben afgesloten.
Als u gebruik wilt maken van de laatste twee opties, neem dan contact op met onze verantwoordelijke, die u instructies zal geven over hoe u een factuur met of zonder btw kunt ontvangen.
De elektrische toestellen die wij leveren, voldoen aan hoge kwaliteitsnormen, hebben 24 maanden garantie en zijn conform alle EU‑vereisten.
Wij bieden ook gratis levering (bij bestellingen vanaf €100), een flexibel systeem van kortingen en promoties. De technische kennis en ervaring van onze medewerkers stellen ons in staat hoogwaardig advies te bieden en indien nodig alternatieven aan te bevelen voor elektrische producten.
Elektro oprema, ki jo dobavljamo, ustreza visokim standardom kakovosti, ima 24-mesečno garancijo in izpolnjuje vse zahteve EU.
V primeru reklamacije se vračilo blaga ne zaračuna.
