
Ontvang een e‑mailmelding wanneer dit product weer beschikbaar is
- Beschrijving
- Instructies
- Betaalmethoden
- Garantie
3-fasige netwerkanalysator / Network analyzer / Netwerkanalysator - multifunctionele digitale paneelmeter, stroom-, spannings-, frequentie- en totaalvermogenindicator, met relaisuitgang, RS485 ModBus RTU - TPM-04SHDL fabrikant TENSE (Turkije) paneelmeters.
Power analyzers zijn ontworpen om elektrische waarden te meten en te bewaken. Dankzij de communicatiefunctie kunnen de gemeten energiewaarden onafhankelijk worden bewaakt en gerapporteerd. Analyses zoals stroomkwaliteit, efficiëntie en berekening van eenheidskosten kunnen worden uitgevoerd met de power analyzers.
Belangrijkste voordelen:
- RS485 Modbus RTU (1200-19200b/s)
- Driefasige spanningstransformator en driefasige stroomtransformator.
-
Toont de harmonische componenten van spanning en stroom tot en met de 31e harmonische.
-
Weergave actief vermogen per fase (P)
-
Weergave reactief vermogen per fase (Q, inductief en capacitief)
-
Weergave van het schijnbaar vermogen in fase (S)
-
Weergave van de Cosφ- en vermogensfactorwaarden van elke fase.
-
Toont de spannings- (V) en stroomwaarden (I) tussen fasen en neutrale fasen en meet de frequentie.
-
Geeft de totale waarden voor actieve in- en uitvoer van energie weer (ΣkWh).
-
Geeft de totale waarden van inductieve en capacitieve reactieve energie weer (ΣkVArh).
-
Weergave van minimum- en maximumwaarden, max. vraag
-
2 relaisuitgangen, 1 digitale ingang
-
Gebeurtenislogboeken (hoge/lage spanning/stroom, spanning/stroom-asymmetrie, THD-I)
-
Menu is beveiligd met wachtwoord.
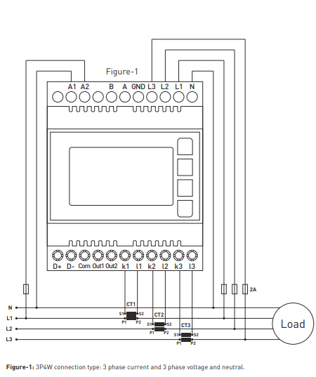
Gewoonlijk wordt deze netwerkanalyzer gebruikt met stroommeettransformatoren - 60/5 75/5 100/5 150/5 200/5 250/5 300/5 400/5 500/5 600/5 800/5 1000/5 1500/5 of vergelijkbaar. Als u de analyzer op ModBus gaat aansluiten, sturen we u op verzoek een "Registratietabel" met ModBus-adressen.
Online betaling met kaart – na het afronden van uw bestelling wordt u doorgestuurd naar het betaalportaal. Een betalingsbevestiging ontvangt u per e‑mail.
Betaling bij levering (onder rembours) – u betaalt het bedrag aan de koerier van de bezorgdienst.
Betaling via bankoverschrijving – u ontvangt uiterlijk de volgende werkdag een pro forma factuur per e‑mail, waarop het bankrekeningnummer vermeld staat dat u bij de betaling moet gebruiken.
Betaling op factuur – deze betalingsoptie is beschikbaar voor partners die met ons bedrijf een raamovereenkomst hebben afgesloten.
Als u gebruik wilt maken van de laatste twee opties, neem dan contact op met onze verantwoordelijke, die u instructies zal geven over hoe u een factuur met of zonder btw kunt ontvangen.
De elektrische toestellen die wij leveren, voldoen aan hoge kwaliteitsnormen, hebben 24 maanden garantie en zijn conform alle EU‑vereisten.
Wij bieden ook gratis levering (bij bestellingen vanaf €100), een flexibel systeem van kortingen en promoties. De technische kennis en ervaring van onze medewerkers stellen ons in staat hoogwaardig advies te bieden en indien nodig alternatieven aan te bevelen voor elektrische producten.
Elektro oprema, ki jo dobavljamo, ustreza visokim standardom kakovosti, ima 24-mesečno garancijo in izpolnjuje vse zahteve EU.
V primeru reklamacije se vračilo blaga ne zaračuna.
