
Ontvang een e‑mailmelding wanneer dit product weer beschikbaar is
- Beschrijving
- Instructies
- Betaalmethoden
- Garantie
TENSE MDK-02 éénfase onderwatermotorpompbesturing, 140-280 V AC, 60 A
Productbeschrijving
De TENSE MDK-02 regelaar is ontworpen voor de beveiliging en besturing van dompelpompen voor boorgaten en putten.
Hij biedt bescherming tegen spannings- en stroompieken, watertekort en overbelasting van de pomp.
Ingebouwde functies maken ook tankniveaubewaking, tijdvertragingsinstellingen en piekstroomregeling mogelijk.
Belangrijkste kenmerken
-
Enkelfasige voeding, bereik: 140-280 VAC
-
Max. stroom: 60 A
-
Microprocessorbesturing met LED-display
-
Beveiligingsfuncties:
-
Overspanning/onderspanning
-
Overstroom/onderstroom
-
Waterpeilcontrole put/tank
-
-
Instellingen bedrijfsparameters: P1-P10 (bijv. maximale/minimale spanning, stroom, responsvertraging, opstartinterval, tijd voor automatische reset)
-
Bedrijfsmodi: START / STOP
-
Ingebouwde timer voor pompvertraging om de levensduur van de pomp te verlengen
-
Indicatie pompstatus via LED-indicatoren
Technische parameters
-
Bedrijfsspanning: 140-280 V AC
-
Frequentie: 50 Hz
-
Stroombereik: 0,5-60 A
-
Stroomverbruik: < 4 W
-
Vloeistofgevoeligheid: < 50 kΩ
-
Beschermingsklasse: IP40
-
Bedrijfstemperatuur: -5 °C tot +55 °C
-
Max. kabeldoorsnede: 1,5 mm²
-
Installatieopening: 91 × 91 mm
-
Installatiehoogte: < 2000 m
-
Gewicht: 325 g
Toepassing
-
Bescherming van dompelpompen tegen drooglopen en overbelasting
-
Waterniveaucontrole in tanks en putten
-
Bewaking en veilige werking van huishoudelijke en industriële pompen
Belangrijke opmerkingen
-
Elektroden / waterpeilsensoren zijn niet inbegrepen - moeten apart worden besteld
-
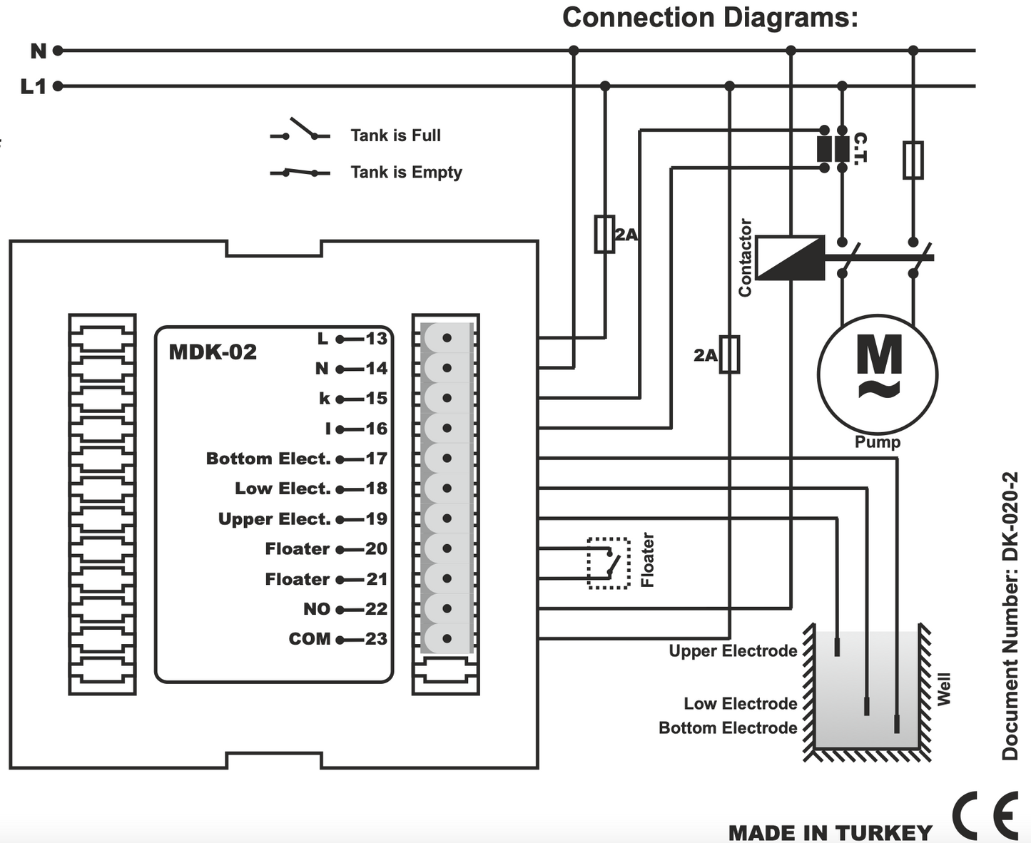
De regelaar moet worden aangesloten volgens het bedradingsschema van de fabrikant
-
De vloeistof mag niet ontvlambaar of explosief zijn
-
De installatietemperatuur moet > 0 °C zijn
-
Pomp moet geaard zijn
-
Het gebruik van twee niveausensoren vereist de juiste aansluiting van de bovenste en middelste sensor.
Online betaling met kaart – na het afronden van uw bestelling wordt u doorgestuurd naar het betaalportaal. Een betalingsbevestiging ontvangt u per e‑mail.
Betaling bij levering (onder rembours) – u betaalt het bedrag aan de koerier van de bezorgdienst.
Betaling via bankoverschrijving – u ontvangt uiterlijk de volgende werkdag een pro forma factuur per e‑mail, waarop het bankrekeningnummer vermeld staat dat u bij de betaling moet gebruiken.
Betaling op factuur – deze betalingsoptie is beschikbaar voor partners die met ons bedrijf een raamovereenkomst hebben afgesloten.
Als u gebruik wilt maken van de laatste twee opties, neem dan contact op met onze verantwoordelijke, die u instructies zal geven over hoe u een factuur met of zonder btw kunt ontvangen.
De elektrische toestellen die wij leveren, voldoen aan hoge kwaliteitsnormen, hebben 24 maanden garantie en zijn conform alle EU‑vereisten.
Wij bieden ook gratis levering (bij bestellingen vanaf €100), een flexibel systeem van kortingen en promoties. De technische kennis en ervaring van onze medewerkers stellen ons in staat hoogwaardig advies te bieden en indien nodig alternatieven aan te bevelen voor elektrische producten.
Elektro oprema, ki jo dobavljamo, ustreza visokim standardom kakovosti, ima 24-mesečno garancijo in izpolnjuje vse zahteve EU.
V primeru reklamacije se vračilo blaga ne zaračuna.
