
Ontvang een e‑mailmelding wanneer dit product weer beschikbaar is
- Beschrijving
- Instructies
- Betaalmethoden
- Garantie
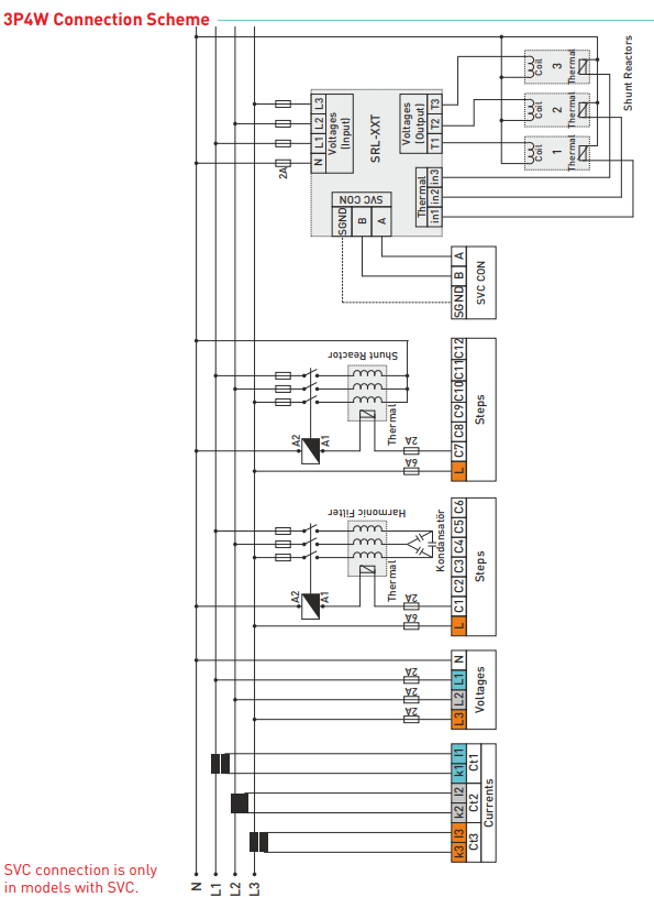
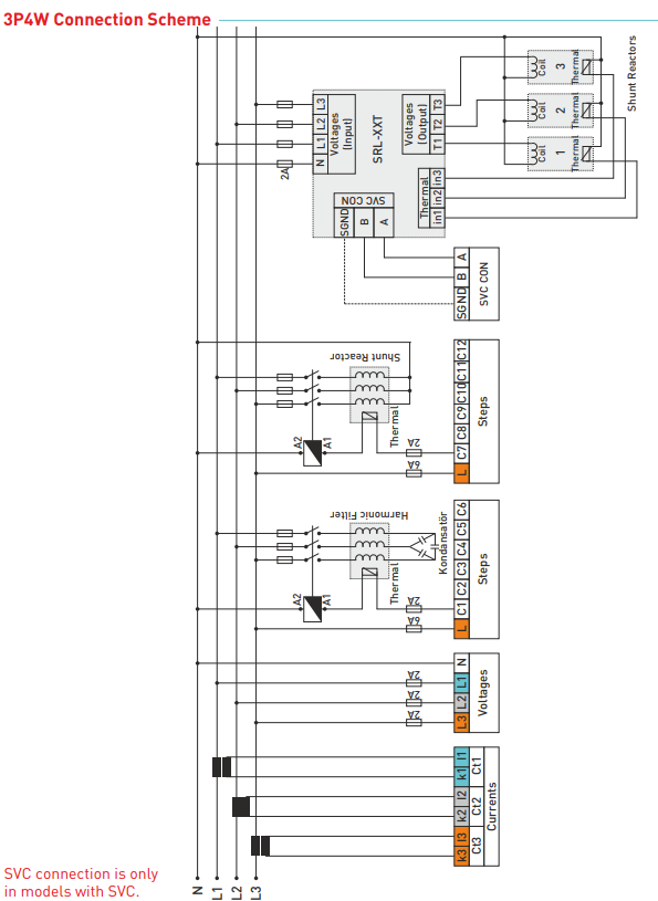
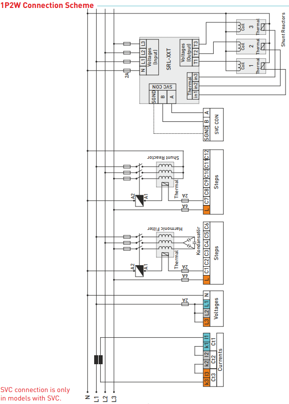
Vermogensfactorregelaar 12 stappen + TCR met 2,9" grafisch LCD-scherm (TENSE) - RGT-12E
De RGT-12E blindvermogensregelaar van TENSE is een volautomatische en zeer nauwkeurige regelaar ontworpen voor een optimale regeling van compensatiefasen in elektriciteitssystemen. Met digitale meting, intelligente algoritmen en een grafisch LCD-display zorgt hij voor een stabiele vermogensfactor, efficiënte regeling van het blindvermogen en bescherming van de compensatieapparatuur.
Belangrijkste kenmerken en functies
Automatische detectie van compensatiefasen
De regelaar configureert zichzelf na het inschakelen:
-
detecteert automatisch de grootte van de aangesloten condensatortrappen
-
het is ook mogelijk om de parameters handmatig in te voeren
-
het systeem controleert continu de status van elke trap
Intelligente schakelregeling
De regelaar schakelt de fasen in en uit zodat:
-
een stabiele arbeidsfactor wordt bereikt met een minimaal aantal schakelingen
-
de afzonderlijke trappen gelijkmatig worden belast
-
condensatoren met de laagste restlading de voorkeur krijgen
-
de status van elke trap gelijktijdig wordt gecontroleerd (storingen, vermogenswisselingen, verwijderen en opnieuw plaatsen).
TCR-ondersteuning (Thyristor Switched Reactor)
De regelaar maakt compensatieregeling met thyristorgeschakelde reactoren mogelijk, wat ideaal is voor:
-
industriële toepassingen
-
dynamische compensatie
-
systemen met frequente belastingswisselingen
Geavanceerde meting en analyse
-
Meting van harmonische spanningen en stromen tot de 31e harmonische
-
Totale energiebewaking (import/export)
-
THD-V- en THD-I-metingen voor elke fase
-
Genereren van vermogensanalyse (20 samples van 9999 min) - zeer nuttig bij het ontwerpen van compensatiesamenstellingenFlexibelebedrading van compensatie-elementen
Toepassingsopties:
-
eenfasige condensatoren
-
tweefasige condensatoren
-
driefasige condensatoren
-
shuntreactoren
Instelbare tijdfuncties
Kan worden ingesteld:
-
interventietijd
-
ontladingstijd
-
bezinktijd
Hierdoor kan de regeling nauwkeurig worden aangepast aan de aard van de werking.
Generatorfuncties
De regelaar heeft:
-
Generatorstuuringang
-
compensatiefunctie voor generatorvoeding
Technische kenmerken (kort overzicht)
-
12 relaiscompensatie-uitgangen
-
TCR-ondersteuning
-
Grafisch LCD-scherm 2,9"
-
Automatische faseherkenning
-
Harmonische meting tot 31e orde
-
Energiestatistieken en geschiedenis
-
THD-V / THD-I
-
Ondersteuning voor eenfasige, tweefasige en driefasige fasen
-
Programmeerbare uit-, aan- en ontlaadtijd
-
Foutbeveiliging in fasen
Online betaling met kaart – na het afronden van uw bestelling wordt u doorgestuurd naar het betaalportaal. Een betalingsbevestiging ontvangt u per e‑mail.
Betaling bij levering (onder rembours) – u betaalt het bedrag aan de koerier van de bezorgdienst.
Betaling via bankoverschrijving – u ontvangt uiterlijk de volgende werkdag een pro forma factuur per e‑mail, waarop het bankrekeningnummer vermeld staat dat u bij de betaling moet gebruiken.
Betaling op factuur – deze betalingsoptie is beschikbaar voor partners die met ons bedrijf een raamovereenkomst hebben afgesloten.
Als u gebruik wilt maken van de laatste twee opties, neem dan contact op met onze verantwoordelijke, die u instructies zal geven over hoe u een factuur met of zonder btw kunt ontvangen.
De elektrische toestellen die wij leveren, voldoen aan hoge kwaliteitsnormen, hebben 24 maanden garantie en zijn conform alle EU‑vereisten.
Wij bieden ook gratis levering (bij bestellingen vanaf €100), een flexibel systeem van kortingen en promoties. De technische kennis en ervaring van onze medewerkers stellen ons in staat hoogwaardig advies te bieden en indien nodig alternatieven aan te bevelen voor elektrische producten.
Elektro oprema, ki jo dobavljamo, ustreza visokim standardom kakovosti, ima 24-mesečno garancijo in izpolnjuje vse zahteve EU.
V primeru reklamacije se vračilo blaga ne zaračuna.
