
Ontvang een e‑mailmelding wanneer dit product weer beschikbaar is
- Beschrijving
- Instructies
- Betaalmethoden
- Garantie
12 stappen + TCR Vermogensfactorregelaar met 2,9" grafisch LCD-scherm en RS-485 (TENSE)
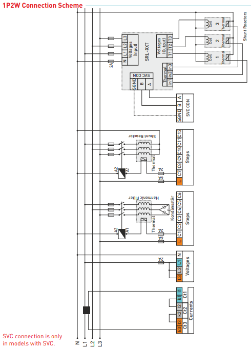
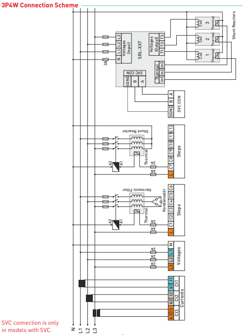
De RGT-12SVC blindvermogensregelaar (TENSE) is een volledig automatisch apparaat voor het optimaal schakelen van compensatiefasen.
De digitale verwerking van de door de regelaar gemeten waarden zorgt voor een hoge nauwkeurigheid bij de evaluatie van de effectieve spanning, stroom en arbeidsfactor.
De installatie van het apparaat is volledig automatisch - de regelaar bepaalt zelf de grootte van de afzonderlijke aangesloten compensatietrappen. Deze parameters kunnen ook direct handmatig worden ingevoerd.
De regelaar schakelt de compensatietrappen in en uit zodat het blindvermogen wordt geregeld met een minimaal aantal schakelhandelingen. Tegelijkertijd houdt de regelaar rekening met de gelijkmatige belasting van de afzonderlijke trappen en schakelt hij bij voorkeur de trappen die het langst spanningsloos zijn en waarvan de restlading minimaal is. Tijdens het regelproces worden de compensatietrappen continu parallel bewaakt - storingen en veranderingen in waarden worden gedetecteerd, tijdelijk verwijderde trappen worden periodiek getest en indien nodig worden ze terug in het regelproces gezet.
Generatoringang en generatorcompensatie
Aanloop-, ontlaad- en settlingtijden kunnen worden ingesteld
Communicatie op afstand met RS485 (RS485 ModBus RTU)
Eenfasige, tweefasige en driefasige condensator en shuntreactor kunnen worden aangesloten
Harmonische spanning en stroom kunnen worden waargenomen tot 31e harmonischen
Totale energie (import/export) kan worden bewaakt
THD-V- en THD-I-waarden van elke fase kunnen worden bekeken
Creëer vermogensanalyse (20 monsters 9999 min.) - voor condensatorselectie
Online betaling met kaart – na het afronden van uw bestelling wordt u doorgestuurd naar het betaalportaal. Een betalingsbevestiging ontvangt u per e‑mail.
Betaling bij levering (onder rembours) – u betaalt het bedrag aan de koerier van de bezorgdienst.
Betaling via bankoverschrijving – u ontvangt uiterlijk de volgende werkdag een pro forma factuur per e‑mail, waarop het bankrekeningnummer vermeld staat dat u bij de betaling moet gebruiken.
Betaling op factuur – deze betalingsoptie is beschikbaar voor partners die met ons bedrijf een raamovereenkomst hebben afgesloten.
Als u gebruik wilt maken van de laatste twee opties, neem dan contact op met onze verantwoordelijke, die u instructies zal geven over hoe u een factuur met of zonder btw kunt ontvangen.
De elektrische toestellen die wij leveren, voldoen aan hoge kwaliteitsnormen, hebben 24 maanden garantie en zijn conform alle EU‑vereisten.
Wij bieden ook gratis levering (bij bestellingen vanaf €100), een flexibel systeem van kortingen en promoties. De technische kennis en ervaring van onze medewerkers stellen ons in staat hoogwaardig advies te bieden en indien nodig alternatieven aan te bevelen voor elektrische producten.
Elektro oprema, ki jo dobavljamo, ustreza visokim standardom kakovosti, ima 24-mesečno garancijo in izpolnjuje vse zahteve EU.
V primeru reklamacije se vračilo blaga ne zaračuna.
