
Ontvang een e‑mailmelding wanneer dit product weer beschikbaar is
- Beschrijving
- Instructies
- Betaalmethoden
- Garantie
18 stappen + TCR Vermogensfactorregelaar voor symmetrische/asymmetrische netwerken met 5 inch touchscreen en RS-485 (TENSE)
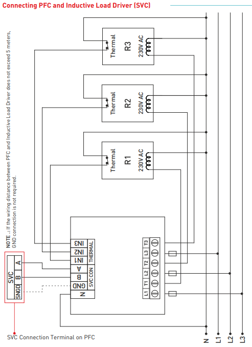
Reactiefvermogensregelrelais zijn ontworpen om reactief vermogen (inductief en capacitief) te reduceren dat niet door de belasting wordt gebruikt en aan het net wordt onttrokken. Als er inductief vermogen aan het net wordt onttrokken, grijpt het relais in door een condensator op een geschikte waarde te verwijderen. Als het capacitieve vermogen wordt afgenomen van het elektriciteitsnet, grijpt het in door een shuntinductor met de juiste waarde te nemen. Op deze manier probeert het de inductieve/actieve en capacitieve/actieve snelheden van het systeem te verminderen. Het is ontworpen om een redelijkere compensatie te bieden in ongebalanceerde inductieve en capacitieve systemen met de RGT-MT18 TCR-stap.
Generatoringang en generatorcompensatie
Spanning, harmonische stroom/spanning, inductieve en capacitieve alarmuitgang
Aanloop-, ontlaad- en settlingtijden kunnen worden aangepast
Communicatie op afstand met RS485 (RS485 ModBus RTU)
Eenfasige, tweefasige en driefasige condensator en shuntreactor kunnen worden aangesloten
Harmonische spanning en stroom kunnen tot de 61e harmonische worden waargenomen
Totale energie (import/export) kan worden bewaakt
THD-V- en THD-I-waarden van elke fase kunnen worden bekeken
Creëer vermogensanalyse (20 monsters 9999 min.) - voor condensatorselectie
Alarmuitgang temperatuur
Vraagregistratie (actief en reactief en schijnbaar vermogen en stroomvraag)
Minimale, maximale en gemiddelde stroom- en spanningswaarden van elke fase kunnen worden bewaakt
Actuele datum en tijd
Online betaling met kaart – na het afronden van uw bestelling wordt u doorgestuurd naar het betaalportaal. Een betalingsbevestiging ontvangt u per e‑mail.
Betaling bij levering (onder rembours) – u betaalt het bedrag aan de koerier van de bezorgdienst.
Betaling via bankoverschrijving – u ontvangt uiterlijk de volgende werkdag een pro forma factuur per e‑mail, waarop het bankrekeningnummer vermeld staat dat u bij de betaling moet gebruiken.
Betaling op factuur – deze betalingsoptie is beschikbaar voor partners die met ons bedrijf een raamovereenkomst hebben afgesloten.
Als u gebruik wilt maken van de laatste twee opties, neem dan contact op met onze verantwoordelijke, die u instructies zal geven over hoe u een factuur met of zonder btw kunt ontvangen.
De elektrische toestellen die wij leveren, voldoen aan hoge kwaliteitsnormen, hebben 24 maanden garantie en zijn conform alle EU‑vereisten.
Wij bieden ook gratis levering (bij bestellingen vanaf €100), een flexibel systeem van kortingen en promoties. De technische kennis en ervaring van onze medewerkers stellen ons in staat hoogwaardig advies te bieden en indien nodig alternatieven aan te bevelen voor elektrische producten.
Elektro oprema, ki jo dobavljamo, ustreza visokim standardom kakovosti, ima 24-mesečno garancijo in izpolnjuje vse zahteve EU.
V primeru reklamacije se vračilo blaga ne zaračuna.
