
Ontvang een e‑mailmelding wanneer dit product weer beschikbaar is
- Beschrijving
- Instructies
- Betaalmethoden
- Garantie
Thermostaat / 2-punts temperatuurregelaar DT-321 - TENSE (Turkije)
Omschrijving:
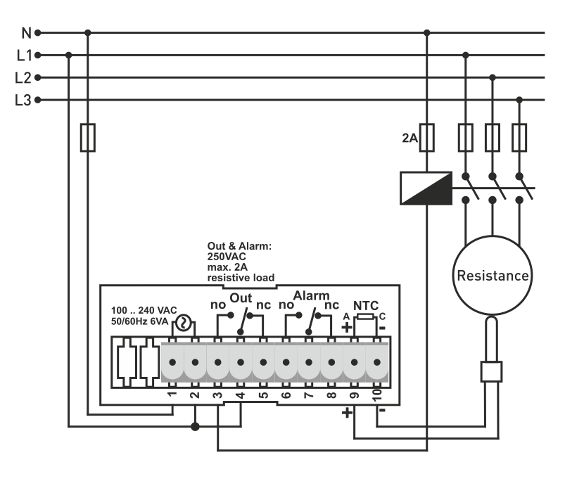
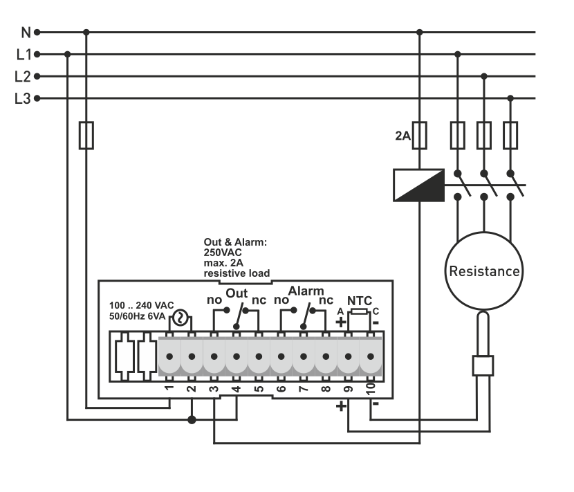
2-punts thermostaat met externe sensor voor paneelmontage in AAN/UIT modus. Ontworpen voor het regelen en bewaken van thermische processen in verwarming, airconditioning, ventilatiesystemen, gebouwautomatisering en industriële toepassingen.
Belangrijkste functies
-
Type sensor: NTC (externe sensor)
-
Uitgangen: relais UIT en ALARM (NO+NC), 250 VAC, 2A
-
Optionele functie: Verwarmen/Koelen
-
Instelbare hysterese voor SET en ALARM
-
UITgang ON-vertraging voor koelmodus
-
Instelbare AAN/UIT-timers voor sensorstoringen
-
Boven- en ondergrenzen voor SET- en ALARM-instellingen
-
EEPROM geheugen voor het opslaan van instellingen
-
Wachtwoordbeveiliging tegen ongeoorloofde parameterwijzigingen
-
Hoge meetnauwkeurigheid
Technische parameters
-
Meetbereik: -30 ºC ... +150 ºC
-
Resolutie/stap: 1 ºC
-
Voeding en bediening: formaat voor paneelmontage
-
Relaisuitgangen: 250 VAC / 2 A
Toepassing
-
Temperatuurregeling in industriële apparatuur, airconditioning en verwarming
-
Bewaking van temperatuurprocessen
-
Apparatuurbeveiliging en procesautomatisering
-
Kan worden gebruikt met drie soorten sensoren die verkrijgbaar zijn in de e-shop
Downloaden
Online betaling met kaart – na het afronden van uw bestelling wordt u doorgestuurd naar het betaalportaal. Een betalingsbevestiging ontvangt u per e‑mail.
Betaling bij levering (onder rembours) – u betaalt het bedrag aan de koerier van de bezorgdienst.
Betaling via bankoverschrijving – u ontvangt uiterlijk de volgende werkdag een pro forma factuur per e‑mail, waarop het bankrekeningnummer vermeld staat dat u bij de betaling moet gebruiken.
Betaling op factuur – deze betalingsoptie is beschikbaar voor partners die met ons bedrijf een raamovereenkomst hebben afgesloten.
Als u gebruik wilt maken van de laatste twee opties, neem dan contact op met onze verantwoordelijke, die u instructies zal geven over hoe u een factuur met of zonder btw kunt ontvangen.
De elektrische toestellen die wij leveren, voldoen aan hoge kwaliteitsnormen, hebben 24 maanden garantie en zijn conform alle EU‑vereisten.
Wij bieden ook gratis levering (bij bestellingen vanaf €100), een flexibel systeem van kortingen en promoties. De technische kennis en ervaring van onze medewerkers stellen ons in staat hoogwaardig advies te bieden en indien nodig alternatieven aan te bevelen voor elektrische producten.
Elektro oprema, ki jo dobavljamo, ustreza visokim standardom kakovosti, ima 24-mesečno garancijo in izpolnjuje vse zahteve EU.
V primeru reklamacije se vračilo blaga ne zaračuna.
