
Ontvang een e‑mailmelding wanneer dit product weer beschikbaar is
- Beschrijving
- Instructies
- Betaalmethoden
- Garantie
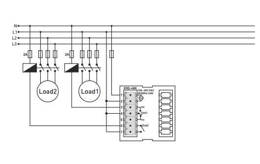
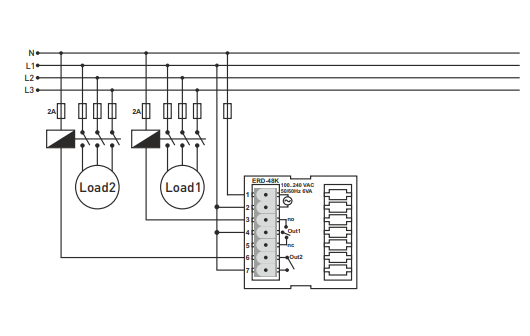
Tijdcyclisch + ON-DELAY relais met LED-display - TENSE ERD-48K (230 VAC)
Productbeschrijving
Het TENSE ERD-48K tijdrelais combineert twee functies in één apparaat - vertraagde ON-Delay en cyclische regeling. Het is ontworpen voor paneel- of kastdeurmontage en heeft een gemakkelijk af te lezen LED-display waarmee de tijd eenvoudig kan worden ingesteld en de huidige status kan worden gecontroleerd.
Het apparaat is geschikt voor automatische besturing van verlichting, ventilatie, motoren, signalering en andere belastingen waarbij sequentieel of herhaald schakelen vereist is.
Belangrijkste functies
-
ON-Delay - activeert de uitgang nadat een ingestelde tijd is verstreken
-
Cyclische modus (knipperlicht) - schakelt belastingen periodiek in en uit
-
Modi:
-
Knipperlicht aan het begin van de puls
-
Knipperlicht aan het begin van een pauze
-
-
LED-display voor handige instelling en weergave van resterende tijd
-
Geschikt voor paneelmontage van 48×48 mm
Tijdinstelling
Vier selecteerbare bereiken:
-
0-99,9 seconden
-
0-999 seconden
-
0-99,9 minuten
-
0-999 minuten
Het bereik wordt rechtstreeks op het voorpaneel geselecteerd.
Gebruik
-
Automatische verlichting aan/uit
-
Ventilatie met cyclische werking
-
Regeling van verwarming en koeling
-
Aansturing van signaallampen of akoestische waarschuwingen
-
Industriële tijdprocessen en automatisering
Stroomvoorziening en installatie
-
Bedrijfsspanning: 230 VAC
-
Montage: paneel-/kastdeur (48×48 mm)
Online betaling met kaart – na het afronden van uw bestelling wordt u doorgestuurd naar het betaalportaal. Een betalingsbevestiging ontvangt u per e‑mail.
Betaling bij levering (onder rembours) – u betaalt het bedrag aan de koerier van de bezorgdienst.
Betaling via bankoverschrijving – u ontvangt uiterlijk de volgende werkdag een pro forma factuur per e‑mail, waarop het bankrekeningnummer vermeld staat dat u bij de betaling moet gebruiken.
Betaling op factuur – deze betalingsoptie is beschikbaar voor partners die met ons bedrijf een raamovereenkomst hebben afgesloten.
Als u gebruik wilt maken van de laatste twee opties, neem dan contact op met onze verantwoordelijke, die u instructies zal geven over hoe u een factuur met of zonder btw kunt ontvangen.
De elektrische toestellen die wij leveren, voldoen aan hoge kwaliteitsnormen, hebben 24 maanden garantie en zijn conform alle EU‑vereisten.
Wij bieden ook gratis levering (bij bestellingen vanaf €100), een flexibel systeem van kortingen en promoties. De technische kennis en ervaring van onze medewerkers stellen ons in staat hoogwaardig advies te bieden en indien nodig alternatieven aan te bevelen voor elektrische producten.
Elektro oprema, ki jo dobavljamo, ustreza visokim standardom kakovosti, ima 24-mesečno garancijo in izpolnjuje vse zahteve EU.
V primeru reklamacije se vračilo blaga ne zaračuna.
