
Ontvang een e‑mailmelding wanneer dit product weer beschikbaar is
- Beschrijving
- Instructies
- Betaalmethoden
- Garantie
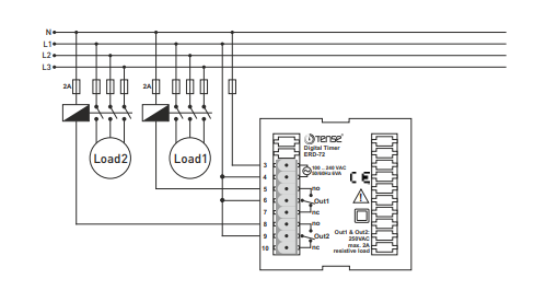
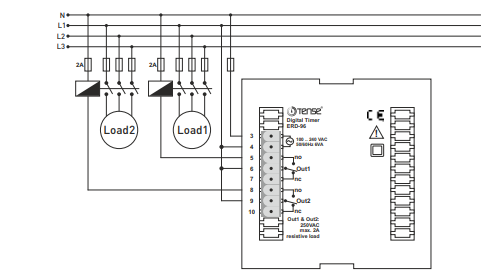
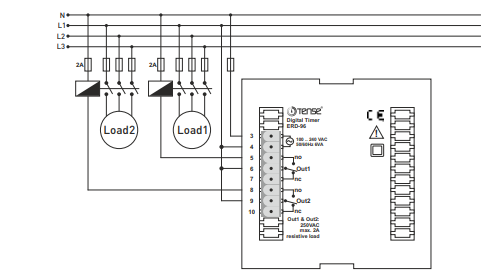
Tijdrelais ERD-96 ERD-48, ERD-72 - TENSE
Tijdvertrager / cyclisch pulsrelais / symmetrische en asymmetrische pulsgenerator
Het ERD-96 ERD-48, ERD-72 tijdrelais is ontworpen voor het creëren van een tijdvertraging op of het genereren van cyclische pulsen voor het aansturen van diverse processen in automatiserings- en regelsystemen (ACS).
Het is met name geschikt voor gebruik in:
-
AC-systemen,
-
besturing van zwembaden en technologie,
-
nood- en beveiligingssystemen,
-
algemene automatisering en sequentiële fabrieksregeling.
Belangrijkste functies
-
Twee basisfuncties
-
Vertragingstimer
-
Cyclisch relais (pulsgenerator - symmetrische/asymmetrische pulsen)
-
-
Breed tijdbereik:
0,1 s tot 999 minuten -
Tijdsaanduiding - digitale weergave van resterende tijd (afkoeltijd)
-
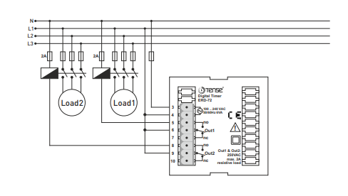
Eenvoudige aansluiting via klemmenblok
-
Geschikt voor universeel gebruik in AC-netwerken 100...240 V
Technische specificaties
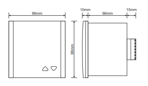
Mechanische en displayparameters
-
Display: 3-cijferig 7-segment LED-display
Functies
-
Onmiddellijke uitgang na opstarten (Out2)
-
Vertraagde uitgang na opstarten (Out1)
Ingangen
-
START-ingang: contacten 11-12
-
100...240 V AC, 50/60 Hz
-
Verbruik max. 3 mA
Timing
-
-
Bereiken:
-
99,9 s
-
999 s
-
99,9 min
-
999 min
(optioneel)
-
-
Resolutie:
-
0,1 s / 1 s / 0,1 min / 1 min
-
-
Nauwkeurigheid: ±1,5% van de ingestelde waarde
Uitgangen
-
Out1 - Vertraagde uitgang:
-
NO-O-NC relais
-
250 V AC, 2 A (ohmse belasting)
-
-
Out2 - Onmiddellijke uitgang:
-
NO-O relais
-
250 V AC, 2 A (ohmse belasting)
-
Voeding
-
Voedingsspanning: 100...240 V AC, 50/60 Hz
-
Stroomverbruik: < 5 VA
Omgevingsomstandigheden
-
Bedrijfstemperatuur: -20 °C tot +55 °C
-
Hoogte bij gebruik: tot 2000 m
Downloaden
Online betaling met kaart – na het afronden van uw bestelling wordt u doorgestuurd naar het betaalportaal. Een betalingsbevestiging ontvangt u per e‑mail.
Betaling bij levering (onder rembours) – u betaalt het bedrag aan de koerier van de bezorgdienst.
Betaling via bankoverschrijving – u ontvangt uiterlijk de volgende werkdag een pro forma factuur per e‑mail, waarop het bankrekeningnummer vermeld staat dat u bij de betaling moet gebruiken.
Betaling op factuur – deze betalingsoptie is beschikbaar voor partners die met ons bedrijf een raamovereenkomst hebben afgesloten.
Als u gebruik wilt maken van de laatste twee opties, neem dan contact op met onze verantwoordelijke, die u instructies zal geven over hoe u een factuur met of zonder btw kunt ontvangen.
De elektrische toestellen die wij leveren, voldoen aan hoge kwaliteitsnormen, hebben 24 maanden garantie en zijn conform alle EU‑vereisten.
Wij bieden ook gratis levering (bij bestellingen vanaf €100), een flexibel systeem van kortingen en promoties. De technische kennis en ervaring van onze medewerkers stellen ons in staat hoogwaardig advies te bieden en indien nodig alternatieven aan te bevelen voor elektrische producten.
Elektro oprema, ki jo dobavljamo, ustreza visokim standardom kakovosti, ima 24-mesečno garancijo in izpolnjuje vse zahteve EU.
V primeru reklamacije se vračilo blaga ne zaračuna.
