
Notified by email when this product becomes available
- Description
- Instructions
- Payment methods
- Warranty
|
Phase protection relays with phase sequence control, asymmetry: 5% - 50% (adjustable), manufactured by TENSE (Turkey)
Phase protection relays are designed to protect three-phase electric motors against network disturbances related to phase sequence errors, voltage asymmetry, exceeding or lowering the allowed voltage level.
Voltage: 400 V - 480 V AC (adjustable) Undervoltage: 260 V - 360 V AC (adjustable) Asymmetry: 5% - 50% (adjustable) Fault delay time: 1 s - 30 s (adjustable) Reset time: 1 s - 30 s (adjustable) Phase displacement control
General operating principles:
Under normal conditions: When all phases are within the allowed values and their sequence is correct, the relay is energized and the OUT LED lights up.
High voltage fault (H): When the voltage on one or more phases exceeds the set value, the device waits during the set fault delay time (Err In), after which "H" appears on the display, the relay switches off, and the OUT LED does not light.
When all voltages drop 5 V below the set limit, the device waits during the recovery time (Err OUT), after which the relay is activated and the OUT LED lights up.
Low voltage fault (L): If the voltage on one or more phases falls below the set value, the device waits for Err In, then L appears, the relay is switched off and OUT lights up.
When the voltage rises 5 V above the threshold, the device waits for Err OUT and the relay is switched on.
Phase asymmetry error (Asa): When the voltage difference between the phases exceeds the set value, the device waits for Err In, then "ASy" is displayed and the relay is switched off.
When the asymmetry drops by 2% from the set threshold, the device waits for Err OUT and the relay is switched on.
Phase sequence error (pH's): When the phase sequence is broken, the device waits for Err In, then displays "phs" and the relay is de-energized. When the correct sequence is restored, the device waits for Err OUT, after which the relay switches on.
Technical Specifications
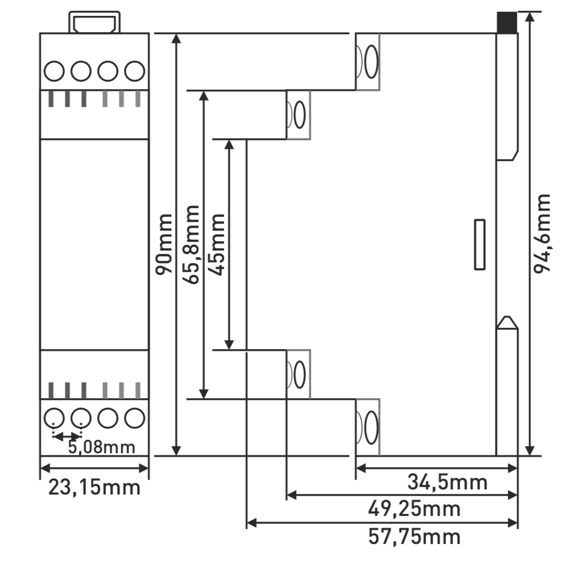
Operating voltage (un) 3×380 VAC + neutral wire Frequency 50/60 Hz Power consumption < 6 VA Operating temperature -20°C to +55°C High voltage threshold 400-480 V AC Low voltage threshold 260-360 V AC Asymmetry (adjustment) from 5% to 50% Relay contact 5 A / 250 V AC (resistive load) Display 3×3 segment display, 1 LED Mounting on DIN rail Weight < 150 g Max. installation height < 2000 m |
Cable cross-section up to 2.5 mm²
Online betaling met kaart – na het afronden van uw bestelling wordt u doorgestuurd naar het betaalportaal. Een betalingsbevestiging ontvangt u per e‑mail.
Betaling bij levering (onder rembours) – u betaalt het bedrag aan de koerier van de bezorgdienst.
Betaling via bankoverschrijving – u ontvangt uiterlijk de volgende werkdag een pro forma factuur per e‑mail, waarop het bankrekeningnummer vermeld staat dat u bij de betaling moet gebruiken.
Betaling op factuur – deze betalingsoptie is beschikbaar voor partners die met ons bedrijf een raamovereenkomst hebben afgesloten.
Als u gebruik wilt maken van de laatste twee opties, neem dan contact op met onze verantwoordelijke, die u instructies zal geven over hoe u een factuur met of zonder btw kunt ontvangen.
De elektrische toestellen die wij leveren, voldoen aan hoge kwaliteitsnormen, hebben 24 maanden garantie en zijn conform alle EU‑vereisten.
Wij bieden ook gratis levering (bij bestellingen vanaf €100), een flexibel systeem van kortingen en promoties. De technische kennis en ervaring van onze medewerkers stellen ons in staat hoogwaardig advies te bieden en indien nodig alternatieven aan te bevelen voor elektrische producten.
Electrical equipment that we supply meets high quality standards, has a 24-month warranty, and complies with all EU requirements.
In case of a complaint, the return of goods is not charged.
