
Notified by email when this product becomes available
- Description
- Instructions
- Payment methods
- Warranty
-
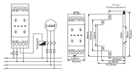
Cable diameter: 2.5 mm2
Relay for protection of equipment with sensitive operating voltages and undervoltages against faults caused by mains voltage. Single-phase. Manufactured by TENSE.
Detailed description
GKM-11 overvoltage and undervoltage monitoring relay, single-phase
The GKM-11 adjustable voltage protection relay (over- and undervoltage) is designed to measure voltage and prevent faults by switching off the relay (turning off the load) in single-phase distribution systems, switchboards, and equipment. It monitors the voltage magnitude in a single-phase system between L-N.
Using rotary potentiometers, the upper and lower voltage limits can be set at which the output relay contact opens. The adjustable time delay "DT" and "RT" can eliminate too rapid unwanted response. The power supply is internally connected to the monitored voltage. The normal status is indicated by a green LED. Fault condition is indicated by 2 red LEDs "LV" and "HV" and by the opening of the output relay contact.
Technical Specifications
Operating voltage: 220 V AC, 50/60 Hz.
High voltage: 230V-300V
Low voltage: 150V-210V
Delay time: 0.5 s - 20 s.
Reset time: 0.5 s - 20 s.
Operating power: <6 VA
Operating temperature: -20 °C ..... + 55 °C
Display: 3 LEDs
Connection type: DIN rail mounting.
Weight: 0.100 kg
Contact: 5A / 250VAC Resistive load
Operating height: < 2000 m
Online betaling met kaart – na het afronden van uw bestelling wordt u doorgestuurd naar het betaalportaal. Een betalingsbevestiging ontvangt u per e‑mail.
Betaling bij levering (onder rembours) – u betaalt het bedrag aan de koerier van de bezorgdienst.
Betaling via bankoverschrijving – u ontvangt uiterlijk de volgende werkdag een pro forma factuur per e‑mail, waarop het bankrekeningnummer vermeld staat dat u bij de betaling moet gebruiken.
Betaling op factuur – deze betalingsoptie is beschikbaar voor partners die met ons bedrijf een raamovereenkomst hebben afgesloten.
Als u gebruik wilt maken van de laatste twee opties, neem dan contact op met onze verantwoordelijke, die u instructies zal geven over hoe u een factuur met of zonder btw kunt ontvangen.
De elektrische toestellen die wij leveren, voldoen aan hoge kwaliteitsnormen, hebben 24 maanden garantie en zijn conform alle EU‑vereisten.
Wij bieden ook gratis levering (bij bestellingen vanaf €100), een flexibel systeem van kortingen en promoties. De technische kennis en ervaring van onze medewerkers stellen ons in staat hoogwaardig advies te bieden en indien nodig alternatieven aan te bevelen voor elektrische producten.
Electrical equipment that we supply meets high quality standards, has a 24-month warranty, and complies with all EU requirements.
In case of a complaint, the return of goods is not charged.
