
Notified by email when this product becomes available
- Description
- Instructions
- Payment methods
- Warranty
|
Detailed description DJ-A96T three-phase digital panel mount ammeter
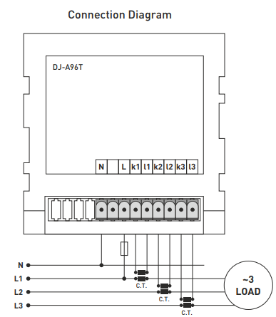
Ammeter for measuring current in a three-phase system with current measurement on each phase L1, L2, L3 using external current transformers. Supply voltage: 230V AC, device voltage <4VA Current range: 100mA...5.5A Current transformer range: 5/5A - 5000/5A Measurement accuracy +-2% Package does not include current transformers, you can choose them here. Easily readable 3x4-digit display, height 14mm. Dimensions 97.2x97.2mm for 91x91mm cutout, depth 45mm
Operating principle and settings: Connect the device according to the wiring diagram. Connect current transformers with xxxx/5A ratio according to your system's current load. Connect the wires of the current transformers to the "kx" and "lx" input terminals of the device. The output of the current transformers to the ammeter may be a maximum of 5 A. Press and hold the "Menu" button for 2 seconds before starting the load measurement. Adjust the ratio of the used transformers with the "Up"-"Down" buttons. To save the settings, press and hold the "Menu" button again for 2 seconds. Connect the load and the ammeter will start displaying the current again. For safety reasons, the measuring transformer must always be grounded. Technical specifications: Solid state relay type. Input voltage: 3...32 V DC. Switched: 24...480 V AC. Not intended for motors. Voltage drop: < 3 V Switching current: 5 mA Coil voltage: 3...32 V DC Max. current: 25 A Electrical insulation strength: 2500 V AC |
Control method: switching when the current crosses zero.
Online betaling met kaart – na het afronden van uw bestelling wordt u doorgestuurd naar het betaalportaal. Een betalingsbevestiging ontvangt u per e‑mail.
Betaling bij levering (onder rembours) – u betaalt het bedrag aan de koerier van de bezorgdienst.
Betaling via bankoverschrijving – u ontvangt uiterlijk de volgende werkdag een pro forma factuur per e‑mail, waarop het bankrekeningnummer vermeld staat dat u bij de betaling moet gebruiken.
Betaling op factuur – deze betalingsoptie is beschikbaar voor partners die met ons bedrijf een raamovereenkomst hebben afgesloten.
Als u gebruik wilt maken van de laatste twee opties, neem dan contact op met onze verantwoordelijke, die u instructies zal geven over hoe u een factuur met of zonder btw kunt ontvangen.
De elektrische toestellen die wij leveren, voldoen aan hoge kwaliteitsnormen, hebben 24 maanden garantie en zijn conform alle EU‑vereisten.
Wij bieden ook gratis levering (bij bestellingen vanaf €100), een flexibel systeem van kortingen en promoties. De technische kennis en ervaring van onze medewerkers stellen ons in staat hoogwaardig advies te bieden en indien nodig alternatieven aan te bevelen voor elektrische producten.
Electrical equipment that we supply meets high quality standards, has a 24-month warranty, and complies with all EU requirements.
In case of a complaint, the return of goods is not charged.
