
Notified by email when this product becomes available
- Description
- Instructions
- Payment methods
- Warranty
Spanningsbewakingsrelais met vertragingstimer voor terugkeer naar de bedrijfstoestand, bewaking van verhoogde en verlaagde spanning, instelling van minimale en maximale spanningswaarde, met fasevolgorderegeling GKV-12F, TENSE
Het werkingsalgoritme van het spanningsbewakingsrelais is als volgt:
Wanneer het relais is aangesloten op de voedingsspanning en de spanningswaarden overeenkomen met de ingestelde waarden, wordt het relais geactiveerd en gaat de relais-LED () branden. Wanneer de spanningswaarden de ingestelde waarden overschrijden, gaat de bijbehorende storings-LED branden, wacht een vertragingstijd (DT), waarna het relais wordt gedeactiveerd en de relais-LED dooft. Wanneer de spanning terugkeert naar normale waarden, wacht het apparaat op een reset-tijd (RT) waarna het relais wordt geactiveerd en de relais-LED gaat branden.
Vereiste instellingen en foutmeldingen
-
HV: hoogspanningsinstelling, wanneer de spanning boven deze waarde stijgt, gaat de HV-LED branden.
-
LV: instelling lage spanning, wanneer de spanning onder deze waarde zakt, gaat de LV-LED branden.
-
DT: vertragingstijd, wachttijd voordat de fout wordt ingevoerd.
-
RT: reset-tijd, de tijd die moet worden gewacht voordat het relais reageert wanneer de spanning weer normaal is.
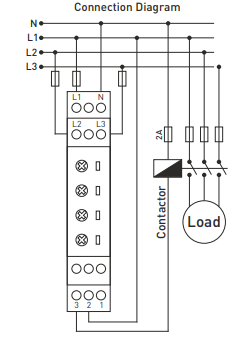
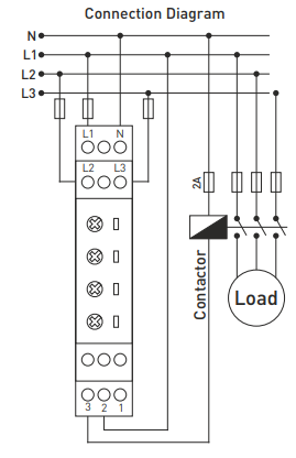
Relais geactiveerd: contacten 2 en 3 gesloten, 1 en 2 open.
Relais gedeactiveerd: contacten 2 en 1 gesloten, 3 en 2 open.
Technische specificaties
-
Bedrijfsspanning: 3×380 VAC, 50/60 Hz
-
Nominale bedrijfsspanning: 220 VAC, 50/60 Hz
-
Hoogspanning: 230 V-300 V
-
Laagspanning: 140 V-210 V
-
Vertragingstijd: 0,1 s - 20 s
-
Reset-tijd: 0,1 s - 20 s
-
Bedrijfsvermogen: < 6 VA
-
Bedrijfstemperatuur: -20 °C tot +55 °C
-
Weergave: 4 LED's
-
Gewicht: 0,210 kg
-
Contact: 5 A / 250 VAC (ohmse belasting)
-
Hoogte bij gebruik: < 2000 m
-
Kabeldiameter: 1,5 mm²
Online betaling met kaart – na het afronden van uw bestelling wordt u doorgestuurd naar het betaalportaal. Een betalingsbevestiging ontvangt u per e‑mail.
Betaling bij levering (onder rembours) – u betaalt het bedrag aan de koerier van de bezorgdienst.
Betaling via bankoverschrijving – u ontvangt uiterlijk de volgende werkdag een pro forma factuur per e‑mail, waarop het bankrekeningnummer vermeld staat dat u bij de betaling moet gebruiken.
Betaling op factuur – deze betalingsoptie is beschikbaar voor partners die met ons bedrijf een raamovereenkomst hebben afgesloten.
Als u gebruik wilt maken van de laatste twee opties, neem dan contact op met onze verantwoordelijke, die u instructies zal geven over hoe u een factuur met of zonder btw kunt ontvangen.
De elektrische toestellen die wij leveren, voldoen aan hoge kwaliteitsnormen, hebben 24 maanden garantie en zijn conform alle EU‑vereisten.
Wij bieden ook gratis levering (bij bestellingen vanaf €100), een flexibel systeem van kortingen en promoties. De technische kennis en ervaring van onze medewerkers stellen ons in staat hoogwaardig advies te bieden en indien nodig alternatieven aan te bevelen voor elektrische producten.
Electrical equipment that we supply meets high quality standards, has a 24-month warranty, and complies with all EU requirements.
In case of a complaint, the return of goods is not charged.
