
Notified by email when this product becomes available
- Description
- Instructions
- Payment methods
- Warranty
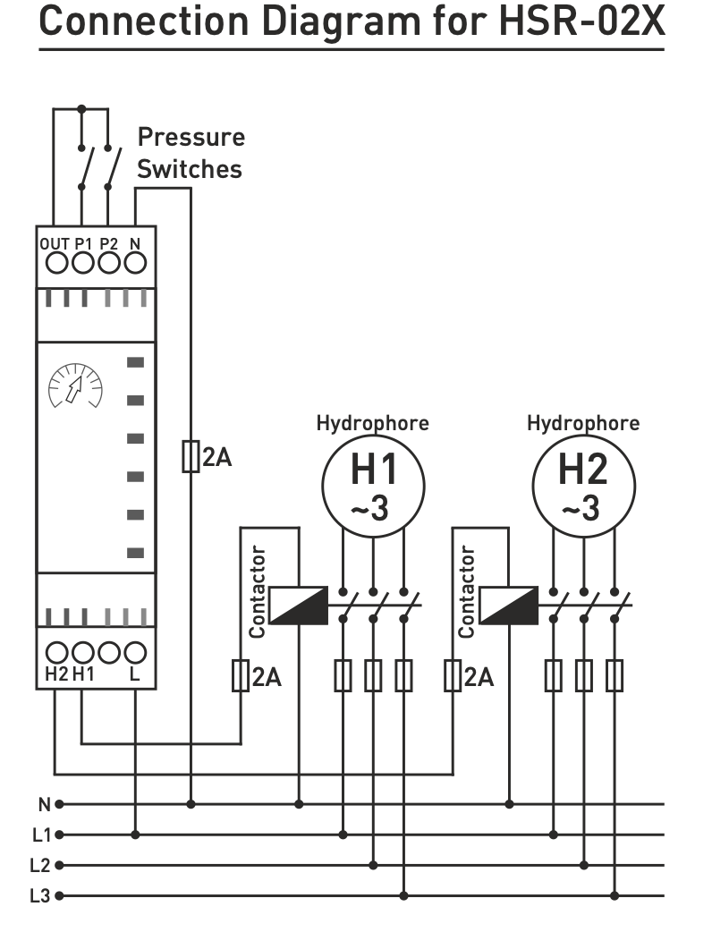
Hydrophore sequential relay with timer for 2 pumps
Hydrophore sequence relays are designed to control the number of boosters operating according to pressure and to ensure that the booster operates at the same time.
Online betaling met kaart – na het afronden van uw bestelling wordt u doorgestuurd naar het betaalportaal. Een betalingsbevestiging ontvangt u per e‑mail.
Betaling bij levering (onder rembours) – u betaalt het bedrag aan de koerier van de bezorgdienst.
Betaling via bankoverschrijving – u ontvangt uiterlijk de volgende werkdag een pro forma factuur per e‑mail, waarop het bankrekeningnummer vermeld staat dat u bij de betaling moet gebruiken.
Betaling op factuur – deze betalingsoptie is beschikbaar voor partners die met ons bedrijf een raamovereenkomst hebben afgesloten.
Als u gebruik wilt maken van de laatste twee opties, neem dan contact op met onze verantwoordelijke, die u instructies zal geven over hoe u een factuur met of zonder btw kunt ontvangen.
De elektrische toestellen die wij leveren, voldoen aan hoge kwaliteitsnormen, hebben 24 maanden garantie en zijn conform alle EU‑vereisten.
Wij bieden ook gratis levering (bij bestellingen vanaf €100), een flexibel systeem van kortingen en promoties. De technische kennis en ervaring van onze medewerkers stellen ons in staat hoogwaardig advies te bieden en indien nodig alternatieven aan te bevelen voor elektrische producten.
Electrical equipment that we supply meets high quality standards, has a 24-month warranty, and complies with all EU requirements.
In case of a complaint, the return of goods is not charged.
