
Notified by email when this product becomes available
- Description
- Instructions
- Payment methods
- Warranty
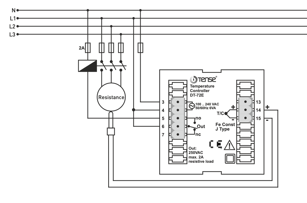
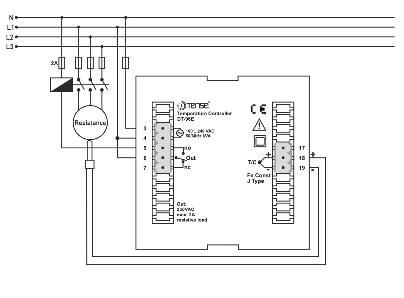
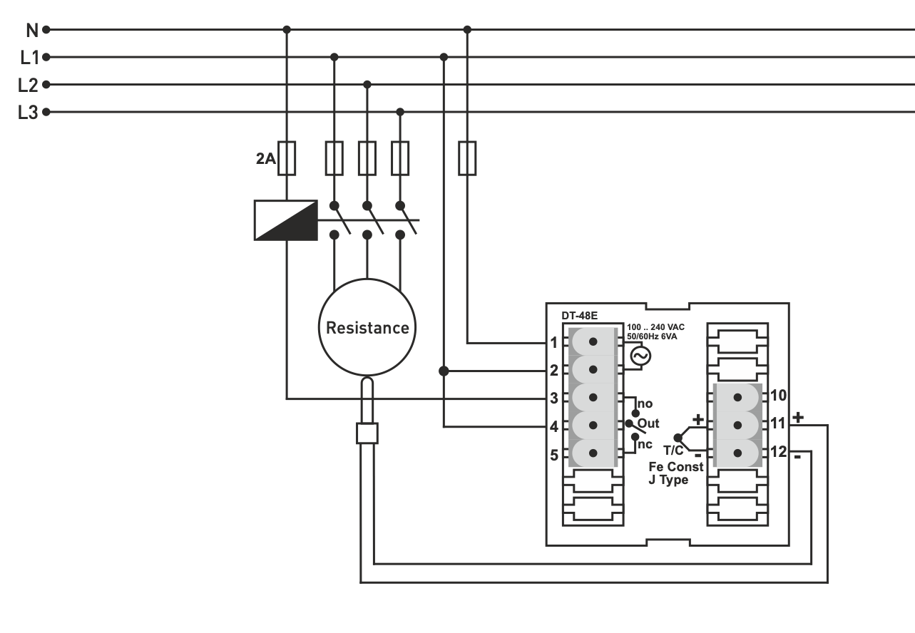
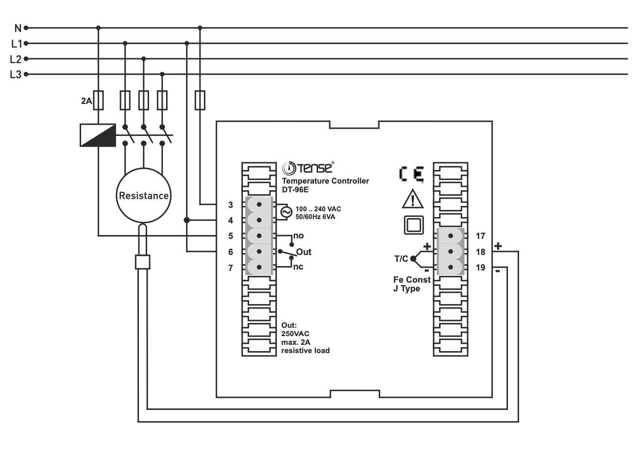
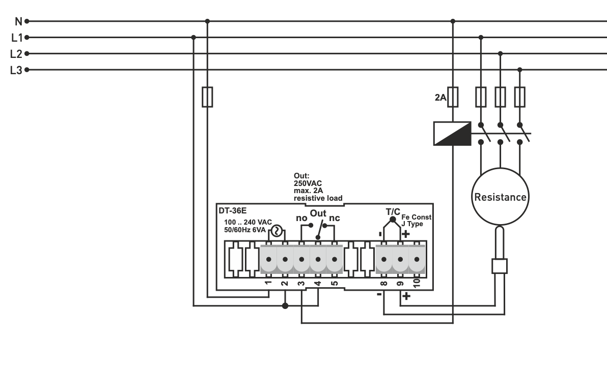
Paneeltemperatuurregelaar DT48-EM - PID & AAN/UIT
Productomschrijving:
DT48-EM is een éénkanaals paneeltemperatuurregelaar ontworpen voor verwarming met universele ingang. Hij wordt gebruikt voor nauwkeurige temperatuurregeling in industriële toepassingen, lichte industriële machines, voedselverwerking, ovens en andere systemen waar een nauwkeurige verwarmingsregeling vereist is.
Ingangen:
-
Pt100 weerstandsensor
-
Thermokoppels (T/C) type J, K, T, R, S
Uitgangen:
-
SPDT relais 2A / 250VAC voor ohmse belasting
-
Digitale uitgang 12VDC / 20mA voor SSR-relaisregeling
Afmetingen:
-
230VAC voeding.
Functies en kenmerken
-
Regeling: PID en AAN/UIT, optioneel P, PI, PD
-
Automatische PID-afstelling: zelfoptimalisatie om overschrijding te minimaliseren
-
Rampmodus: continue temperatuurstijging bij inschakelen
-
Anti-windup: bescherming tegen het stijgen van de regeluitgang in PID/PI
-
Boven- en ondergrens: voor het instellen van de gewenste SET-temperatuur
-
Display met twee regels: Sv (instelpunt) en Pv (werkelijke waarde)
-
Compensatie: koude kruising voor T/C, lijnweerstand voor Pt100
-
Lineaire conversie: °C/mV en °C/Ohm tabellen
-
Offset: offset van waarden over het hele bereik
-
Wachtwoordbeveiliging: voorkomt ongewenste wijziging van instellingen
-
EEPROM-geheugen: behoudt instellingen zelfs nadat de stroom is uitgeschakeld
-
Eenvoudige aansluiting: 5,08 mm plug-in connectors
Meetbereiken volgens sensortype
| Bereik (°C) | Sensortype | Code INPt |
|---|---|---|
| -100 ... 600 | TLC, type J T/C | J |
| -100 ... 1300 | TXA, type K T/C | K |
| -100 ... 400 | TMKn, type T/C | T |
| 0 ... 1750 | type S T/C TPP | S |
| 0 ... 1750 | TPP, type R T/C | R |
| -100 ... 600 | Pt100 | Pt |
| -99,9 ... 600,0 | Pt100 | Pt.0 |
Opmerking:
Hoewel de regelaar temperaturen onder -20 °C en boven +55 °C kan meten, moet het apparaat zelf worden geïnstalleerd in een omgeving met een temperatuur van -20 ... +55 °C, anders kan de kunststof behuizing vervormen en kan de thermostaat defect raken.
Online betaling met kaart – na het afronden van uw bestelling wordt u doorgestuurd naar het betaalportaal. Een betalingsbevestiging ontvangt u per e‑mail.
Betaling bij levering (onder rembours) – u betaalt het bedrag aan de koerier van de bezorgdienst.
Betaling via bankoverschrijving – u ontvangt uiterlijk de volgende werkdag een pro forma factuur per e‑mail, waarop het bankrekeningnummer vermeld staat dat u bij de betaling moet gebruiken.
Betaling op factuur – deze betalingsoptie is beschikbaar voor partners die met ons bedrijf een raamovereenkomst hebben afgesloten.
Als u gebruik wilt maken van de laatste twee opties, neem dan contact op met onze verantwoordelijke, die u instructies zal geven over hoe u een factuur met of zonder btw kunt ontvangen.
De elektrische toestellen die wij leveren, voldoen aan hoge kwaliteitsnormen, hebben 24 maanden garantie en zijn conform alle EU‑vereisten.
Wij bieden ook gratis levering (bij bestellingen vanaf €100), een flexibel systeem van kortingen en promoties. De technische kennis en ervaring van onze medewerkers stellen ons in staat hoogwaardig advies te bieden en indien nodig alternatieven aan te bevelen voor elektrische producten.
Electrical equipment that we supply meets high quality standards, has a 24-month warranty, and complies with all EU requirements.
In case of a complaint, the return of goods is not charged.
